Интернет-магазин AвтоZапчастей
1 цена, 1 качество, 1 скорость

+7 (909) 281-50-61
+7 (905) 138-55-50
ПН-СБ с 08:00 до 20:00
ВС с 08:00 до 19:00
М.Горького,10 - ТЦ Космос
Если вы не нашли полное наименование детали, попробуйте найти сокращенный вариант (подшипник - подш и т.п.)
Корзина всё
ещё пуста
Обратная связь читает ген. директор и собственник
Нам не стыдно за наши цены
телефоны менеджеров
Нам не стыдно за наши цены!
Каталог подбора запчастейКаталог запчастей Газ  52-02

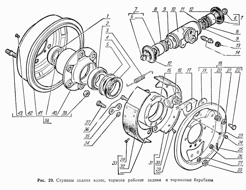
Ступицы задних колес, тормоза рабочие задние и тормозные барабаны


* Крупные изображения из каталога Вы можете перемещать по экрану
Метка Каталожный номер Наименование детали Наличие
24 показать на схеме 201493-П8 Болт М10-6gх16 нет в наличии
используйте поиск
13 показать на схеме 24-2904142 Колпачок пресс-масленки показать наличие
Каталожный номер Фото Артикул Наименование Модель Ед. Наличие Цена в магазине сегодня Цена интернет магазина
24-2904142
  • колпачок перепускного клапана тормозного цилиндра Волга,Газель 12-3501049 "РТИ" г.Балаково (в наличии за 1.60 руб.)
400000006355 колпачок перепускного клапана тормозного цилиндра Волга,Газель 12-3501049 "РТИ" г.Балаково Волга шт
в наличии
1 шт.
1.60руб.
1.00руб.
В корзину
28 показать на схеме 250561-П8 Гайка М16х1,5 нет в наличии
используйте поиск
21 показать на схеме 252016-П8 Шайба 14 нет в наличии
используйте поиск
23 показать на схеме 252136-П2 Шайба 10 ОТ ОСТ 37.001.115-75 нет в наличии
используйте поиск
27 показать на схеме 252139-П2 Шайба 16.ОТ ОСТ 37.001.115-75 показать наличие
Каталожный номер Фото Артикул Наименование Модель Ед. Наличие Цена в магазине сегодня Цена интернет магазина
252139-П2
  • шайба пружинная БелЗАН-САК 16Т (в наличии за 5.30 руб.)
400000006202 шайба пружинная БелЗАН-САК 16Т шт
в наличии
16 шт.
5.30руб.
5.00руб.
В корзину
25 показать на схеме 258039-П Шплинт 3,2х20 ОСТ 37.001.171-93 показать наличие
Каталожный номер Фото Артикул Наименование Модель Ед. Наличие Цена в магазине сегодня Цена интернет магазина
258039-П29
  • Шплинт г.Белебей 3,2х20  258039-П29  (в наличии за 2.00 руб.)
400000007474 Шплинт г.Белебей 3,2х20 258039-П29 шт
в наличии
10 шт.
2.00руб.
2.00руб.
В корзину
42 показать на схеме 290781-П8 Винт М10-6gх20 показать наличие
Каталожный номер Фото Артикул Наименование Модель Ед. Наличие Цена в магазине сегодня Цена интернет магазина
290781-П8
  • винт М10-6gх20 крепления тормозного барабана Газель,Соболь,Баргузин г.Белебей Газ-3302,2705,3221,2217,2752 290781-П8  (в наличии за 27.00 руб.)
400000006097 винт М10-6gх20 крепления тормозного барабана Газель,Соболь,Баргузин г.Белебей Газ-3302,2705,3221,2217,2752 290781-П8 Газель шт
в наличии
4 шт.
27.00руб.
27.00руб.
В корзину
36 показать на схеме 290851-П8 Болт М12х1,25х30 нет в наличии
используйте поиск
26 показать на схеме 292816-П29 Гайка М12х1,25-6Н нет в наличии
используйте поиск
39 показать на схеме 292918-П Гайка М20х1,5-6Н нет в наличии
используйте поиск
29 показать на схеме 294108-П Заклепка 5х10 показать наличие
Каталожный номер Фото Артикул Наименование Модель Ед. Наличие Цена в магазине сегодня Цена интернет магазина
294108-П
  • набор заклепок для ремонта тормозных колодок г.Муром Газ-53,3307 294108-П (нет в наличии)
100000058965 набор заклепок для ремонта тормозных колодок г.Муром Газ-53,3307 294108-П Г-3307 компл нет в наличии
46.00руб.
29 показать на схеме 294108-П Заклепка 5х10 показать наличие
Каталожный номер Фото Артикул Наименование Модель Ед. Наличие Цена в магазине сегодня Цена интернет магазина
294108-П
  • набор заклепок для ремонта тормозных колодок г.Муром Газ-53,3307 294108-П (нет в наличии)
100000058965 набор заклепок для ремонта тормозных колодок г.Муром Газ-53,3307 294108-П Г-3307 компл нет в наличии
46.00руб.
43 показать на схеме 51-3103009-В1 Болт ступицы (левая резьба) показать наличие
Каталожный номер Фото Артикул Наименование Модель Ед. Наличие Цена в магазине сегодня Цена интернет магазина
51-3103009-В1 100000054802 шпилька ступицы лев. шт нет в наличии
4 показать на схеме 51-3104038-В2 Манжета ступицы заднего колеса в сборе показать наличие
Каталожный номер Фото Артикул Наименование Модель Ед. Наличие Цена в магазине сегодня Цена интернет магазина
51-3104038-В2
  • Сальник ступицы задней Газ-53, 3307 "РТИ" г.Балаково (в наличии за 106.00 руб.)
400000007085 Сальник ступицы задней Газ-53, 3307 "РТИ" г.Балаково Газ-53 шт
в наличии
5 шт.
106.00руб.
106.00руб.
В корзину
34 показать на схеме 51-3501028 Эксцентрик опорного пальца нет в наличии
используйте поиск
35 показать на схеме 51-3501030-А Пластина опорных пальцев колодок переднего тормоза нет в наличии
используйте поиск
3 показать на схеме 51-3501035 Пружина нет в наличии
используйте поиск
19 показать на схеме 51-3501036-Б Эксцентрик колодок переднего тормоза регулировочный нет в наличии
используйте поиск
20 показать на схеме 51-3501037 Пружина регулировочного эксцентрика колодок заднего тормоза нет в наличии
используйте поиск
6 показать на схеме 51-3501044 Стержень упорный поршня нет в наличии
используйте поиск
6 показать на схеме 51-3501044 Стержень упорный поршня нет в наличии
используйте поиск
7 показать на схеме 51-3502042-А Поршень колесного цилиндра заднего тормоза в сборе нет в наличии
используйте поиск
7 показать на схеме 51-3502042-А Поршень колесного цилиндра заднего тормоза в сборе нет в наличии
используйте поиск
8 показать на схеме 51-3502051 Манжета нет в наличии
используйте поиск
8 показать на схеме 51-3502051 Манжета нет в наличии
используйте поиск
9 показать на схеме 51-3502052 Чашка распорная манжеты нет в наличии
используйте поиск
9 показать на схеме 51-3502052 Чашка распорная манжеты нет в наличии
используйте поиск
11 показать на схеме 51-3502053 Пружина колесного цилиндра нет в наличии
используйте поиск
12 показать на схеме 51-3502058 Колпак защитный нет в наличии
используйте поиск
12 показать на схеме 51-3502058 Колпак защитный нет в наличии
используйте поиск
40 показать на схеме 52-3104015 Ступица заднего колеса нет в наличии
используйте поиск
22 показать на схеме 52-3502038 Болт регулировочного эксцентрика нет в наличии
используйте поиск
16 показать на схеме 52-3502040 Цилиндр колесный заднего тормоза в сборе нет в наличии
используйте поиск
10 показать на схеме 52-3502046 Цилиндр колесный нет в наличии
используйте поиск
37 показать на схеме 52-3502068-01 Палец опорный колодок нет в наличии
используйте поиск
1 показать на схеме 53-2403036 Подшипник в сборе 807813К3 нет в наличии
используйте поиск
38 показать на схеме 53-3104011 Ступица и тормозной барабан заднего колеса в сборе левые (По выбору) нет в наличии
используйте поиск
5 показать на схеме 53-3104050 Шайба упорная сальника ступицы нет в наличии
используйте поиск
14 показать на схеме 53-3501048 Клапан прокачки колесного цилиндра показать наличие
Каталожный номер Фото Артикул Наименование Модель Ед. Наличие Цена в магазине сегодня Цена интернет магазина
53-3501048
  • Клапан (штуцер прокачки тормозной жидкости)   (в наличии за 25.00 руб.)
400000007489 Клапан (штуцер прокачки тормозной жидкости) Газ шт
в наличии
2 шт.
25.00руб.
25.00руб.
В корзину
18 показать на схеме 53-3502012 Щит заднего тормоза в сборе нет в наличии
используйте поиск
15 показать на схеме 53-3502060-01 Маслоотражатель заднего тормоза в сборе нет в наличии
используйте поиск
41 показать на схеме 53-3502070 Барабан тормозной задний нет в наличии
используйте поиск
31 показать на схеме 53-3502090-А Колодка и фрикционная накладка заднего тормоза в сборе передняя нет в наличии
используйте поиск
33 показать на схеме 53-3502091-А Колодка и фрикционная накладка заднего тормоза в сборе задняя нет в наличии
используйте поиск
30 показать на схеме 53-3502105 Накладка фрикционная передней колодки заднего тормоза нет в наличии
используйте поиск
32 показать на схеме 53-3502106 Накладка фрикционная задней колодки заднего тормоза нет в наличии
используйте поиск
17 показать на схеме 533502050-01 Экран нет в наличии
используйте поиск
2 показать на схеме 7515 Подшипник внутренней ступицы заднего колеса в сборе показать наличие
Каталожный номер Фото Артикул Наименование Модель Ед. Наличие Цена в магазине сегодня Цена интернет магазина
7515
  • Масло моторное Liqui Moly Special Tec AA 5W-30 1л 7515 (в наличии за 1 907.00 руб.)
400000022129 Масло моторное Liqui Moly Special Tec AA 5W-30 1л 7515 5w30 шт
в наличии
1 шт.
1 907.00руб.
1 574.00руб.
В корзину