Интернет-магазин AвтоZапчастей
1 цена, 1 качество, 1 скорость

+7 (909) 281-50-61
+7 (905) 138-55-50
ПН-СБ с 08:00 до 20:00
ВС с 08:00 до 19:00
М.Горького,10 - ТЦ Космос
Если вы не нашли полное наименование детали, попробуйте найти сокращенный вариант (подшипник - подш и т.п.)
Корзина всё
ещё пуста
Обратная связь читает ген. директор и собственник
Нам не стыдно за наши цены
телефоны менеджеров
Нам не стыдно за наши цены!
Каталог подбора запчастейКаталог запчастей Газ  3306 (каталог 1994 г.)

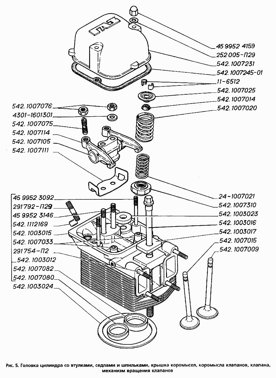
Головка цилиндра с втулками, седлами и шпильками, крышка коромысел, коромысла клапанов, клапана, механизм вращения клапанов


* Крупные изображения из каталога Вы можете перемещать по экрану
Метка Каталожный номер Наименование детали Наличие
11-6512 показать на схеме 11-6512 Сухарь клапана нет в наличии
используйте поиск
24-1007021 показать на схеме 24-1007021 Пружина нет в наличии
используйте поиск
252005-П29 показать на схеме 252005-П29 Шайба 8 ОСТ 37.001.144-96 нет в наличии
используйте поиск
291754-П2 показать на схеме 291754-П2 Шпилька М8х1-4hх42 нет в наличии
используйте поиск
291781-П2 показать на схеме 291781-П2 Шпилька М10Х1Х65 нет в наличии
используйте поиск
291792-П29 показать на схеме 291792-П29 Шпилька М10х1-4hх28 нет в наличии
используйте поиск
4301-1601301 показать на схеме 4301-1601301 Шайба 10х20 коническая нет в наличии
используйте поиск
45 9952 3092 показать на схеме 45 9952 3092 Шпилька М8х1-4hх75 нет в наличии
используйте поиск
45 9952 4159 показать на схеме 45 9952 4159 Гайка М8х1-5Н6Н нет в наличии
используйте поиск
542.1003012 показать на схеме 542.1003012 Головка цилиндра со втулками, седлами и шпильками нет в наличии
используйте поиск
542.1003015 показать на схеме 542.1003015 Головка цилиндра нет в наличии
используйте поиск
542.1003016 показать на схеме 542.1003016 Болт нет в наличии
используйте поиск
542.1003017 показать на схеме 542.1003017 Шайба нет в наличии
используйте поиск
542.1003023 показать на схеме 542.1003023 Шайба нет в наличии
используйте поиск
542.1003024 показать на схеме 542.1003024 Прокладка толщина 2,5 мм нет в наличии
используйте поиск
542.1007009 показать на схеме 542.1007009 Клапан впускной нет в наличии
используйте поиск
542.1007014 показать на схеме 542.1007014 Колпачок нет в наличии
используйте поиск
542.1007015 показать на схеме 542.1007015 Клапан выпускной нет в наличии
используйте поиск
542.1007020 показать на схеме 542.1007020 Пружина клапана наружная нет в наличии
используйте поиск
542.1007025 показать на схеме 542.1007025 Тарелка пружин клапана нет в наличии
используйте поиск
542.1007033 показать на схеме 542.1007033 Втулка направляющая клапана нет в наличии
используйте поиск
542.1007075 показать на схеме 542.1007075 Винт регулировочный нет в наличии
используйте поиск
542.1007076 показать на схеме 542.1007076 Гайка нет в наличии
используйте поиск
542.1007080 показать на схеме 542.1007080 Седло вставное выпускного клапана нет в наличии
используйте поиск
542.1007082 показать на схеме 542.1007082 Седло вставное выпускного клапана нет в наличии
используйте поиск
542.1007105 показать на схеме 542.1007105 Стойка коромысел нет в наличии
используйте поиск
542.1007111 показать на схеме 542.1007111 Фиксатор нет в наличии
используйте поиск
542.1007114 показать на схеме 542.1007114 Коромысло клапана нет в наличии
используйте поиск
542.1007231 показать на схеме 542.1007231 Крышка коромысел нет в наличии
используйте поиск
542.1007245-01 показать на схеме 542.1007245-01 Прокладка крышки коромысел нет в наличии
используйте поиск
542.1007310 показать на схеме 542.1007310 Механизм вращения клапана нет в наличии
используйте поиск
542.1112169 показать на схеме 542.1112169 Опора скобы нет в наличии
используйте поиск