Интернет-магазин AвтоZапчастей
1 цена, 1 качество, 1 скорость

+7 (909) 281-50-61
+7 (905) 138-55-50
ПН-СБ с 08:00 до 20:00
ВС с 08:00 до 19:00

Мы ВКонтакте

111AZ.ru - ТЦ Космос
Если вы не нашли полное наименование детали, попробуйте найти сокращенный вариант (подшипник - подш и т.п.)
Корзина всё
ещё пуста
Обратная связь читает ген. директор и собственник
Нам не стыдно за наши цены
телефоны менеджеров
Нам не стыдно за наши цены!
Каталог подбора запчастейКаталог запчастей Газ  66 (каталог 1983 г.)

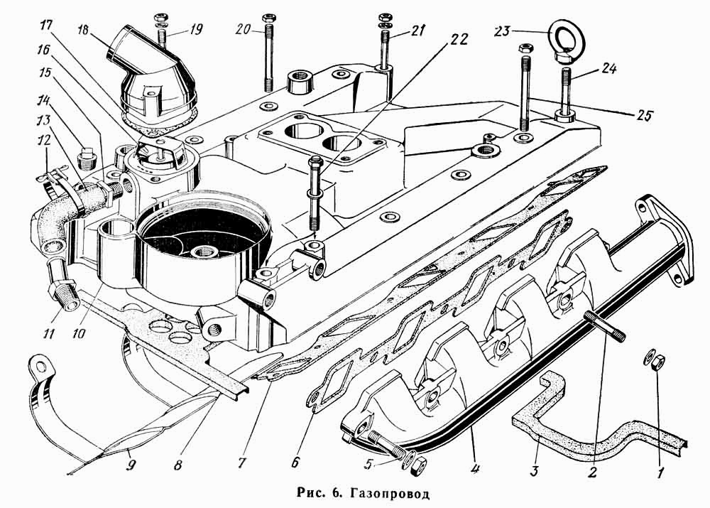
Газопровод


* Крупные изображения из каталога Вы можете перемещать по экрану
Метка Каталожный номер Наименование детали Наличие
7 показать на схеме 100-8080-15 Прокладка впускной трубы боковая нет в наличии
используйте поиск
6 показать на схеме 13-1008027-Б Прокладка выпускного коллектора нет в наличии
используйте поиск
23 показать на схеме 13-1008135-10 Гайка грузовая нет в наличии
используйте поиск
18 показать на схеме 13-1008150-Б Патрубок выпускной нет в наличии
используйте поиск
17 показать на схеме 13-1008155 Прокладка патрубка показать наличие
Каталожный номер Фото Артикул Наименование Модель Ед. Наличие Цена в магазине сегодня Цена интернет магазина
13-1008155-02
  • прокладка выпускного патрубка термостата "ВАТИ" Волга,Газель,УАЗ  (срок доставки: 1 день)
400000006876 прокладка выпускного патрубка термостата "ВАТИ" Волга,Газель,УАЗ Г24 шт нет в наличии
8.00руб.
13-1008155-02
  • прокладка выпускного патрубка термостата "ВАТИ" Волга,Газель,УАЗ  (срок доставки: 1 день)
100000017605 прокладка выпускного патрубка термостата "ВАТИ" Волга,Газель,УАЗ Г24 шт
срок доставки: 1 день
7.50руб.
Средняя цена по городу:10.00 руб.
У нас вы экономите:2.50 руб.
В корзину
15 показать на схеме 13-1303065-Б Штуцер К 3/8" нет в наличии
используйте поиск
16 показать на схеме 13-1306010-А Термостат нет в наличии
используйте поиск
19 показать на схеме 291754-П Шпилька М8х1х42 крепления выпускного патрубка водяной рубашки нет в наличии
используйте поиск
21 показать на схеме 291758-П2 Шпилька М8х1х58 нет в наличии
используйте поиск
20 показать на схеме 291762-П Шпилька М8х1-4hх75 нет в наличии
используйте поиск
25 показать на схеме 291765-П Шпилька М8х1х80 крепления впускной трубы нет в наличии
используйте поиск
22 показать на схеме 291768-П Шпилька М8х1-4hх88 нет в наличии
используйте поиск
2 показать на схеме 291777-П Шпилька М10х1х45 нет в наличии
используйте поиск
5 показать на схеме 291797-П Шпилька М10х1х30 нет в наличии
используйте поиск
1 показать на схеме 292765-П Гайка М10х1 нет в наличии
используйте поиск
14 показать на схеме 296563-П8 Пробка КГ 3/8" нет в наличии
используйте поиск
12 показать на схеме 297580-П8 Пряжка хомута нет в наличии
используйте поиск
10 показать на схеме 66-1008014 Труба впускная в сборе нет в наличии
используйте поиск
4 показать на схеме 66-1008025-Г Коллектор выпускной левый нет в наличии
используйте поиск
3 показать на схеме 66-1008079-Б Прокладка впускной трубы задняя нет в наличии
используйте поиск
8 показать на схеме 66-1008081-12 Прокладка впускной трубы передняя нет в наличии
используйте поиск
9 показать на схеме 66-1008090-01 Кожух газопровода в сборе нет в наличии
используйте поиск
13 показать на схеме 66-1303060-Б Шланг соединительный нет в наличии
используйте поиск
11 показать на схеме 66-1303075 Штуцер 3/8" нет в наличии
используйте поиск
24 показать на схеме 874305-П Шпилька М11х1-4hх80 нет в наличии
используйте поиск