Интернет-магазин AвтоZапчастей
1 цена, 1 качество, 1 скорость

+7 (909) 281-50-61
+7 (905) 138-55-50
ПН-СБ с 08:00 до 20:00
ВС с 08:00 до 19:00
М.Горького,10 - ТЦ Космос
Если вы не нашли полное наименование детали, попробуйте найти сокращенный вариант (подшипник - подш и т.п.)
Корзина всё
ещё пуста
Обратная связь читает ген. директор и собственник
Нам не стыдно за наши цены
телефоны менеджеров
Нам не стыдно за наши цены!
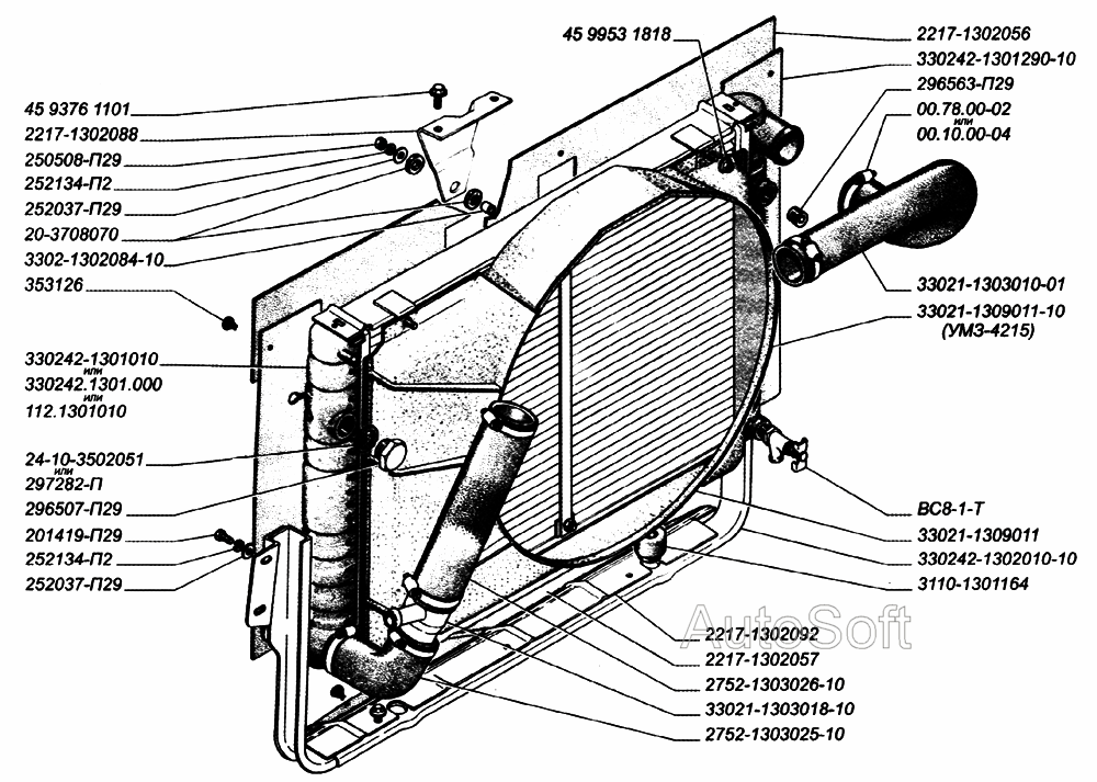
Каталог подбора запчастейКаталог запчастей ЗМЗ 406 (каталог 2006 г.)

Радиатор двигателей ЗМЗ-402 (для автомобилей выпуска с октября 2002 года)


* Крупные изображения из каталога Вы можете перемещать по экрану
Метка Каталожный номер Наименование детали Наличие
00.10.00-04 показать на схеме 00.10.00-04 Хомут 40-56 нет в наличии
используйте поиск
00.78.00-02 показать на схеме 00.78.00-02 Хомут 40-56 нет в наличии
используйте поиск
112.1301010 показать на схеме 112.1301010 Радиатор нет в наличии
используйте поиск
20-3708070 показать на схеме 20-3708070 Шайба нет в наличии
используйте поиск
201419-П29 показать на схеме 201419-П29 Болт М6х18 нет в наличии
используйте поиск
2217-1302056 показать на схеме 2217-1302056 Уплотнитель верхний нет в наличии
используйте поиск
2217-1302057 показать на схеме 2217-1302057 Уплотнитель нижний нет в наличии
используйте поиск
2217-1302088 показать на схеме 2217-1302088 Кронштейн крепления радиатора верхний показать наличие
Каталожный номер Фото Артикул Наименование Модель Ед. Наличие Цена в магазине сегодня Цена интернет магазина
2217-1302088
  • Кронштейн крепления радиатора верхний  Газель,СОБОЛЬ (в наличии за 229.00 руб.)
400000006411 Кронштейн крепления радиатора верхний Газель,СОБОЛЬ Газель шт
в наличии
1 шт.
229.00руб.
209.00руб.
В корзину
2217-1302092 показать на схеме 2217-1302092 Угольник нет в наличии
используйте поиск
24-10-3502051 показать на схеме 24-10-3502051 Кольцо уплотнительное показать наличие
Каталожный номер Фото Артикул Наименование Модель Ед. Наличие Цена в магазине сегодня Цена интернет магазина
24-10-3502051
  • кольцо уплотнительное заднего тормозного цилиндра РТИ Волга  24-10-3502051 (в наличии за 10.00 руб.)
400000006358 кольцо уплотнительное заднего тормозного цилиндра РТИ Волга 24-10-3502051 Волга шт
в наличии
4 шт.
10.00руб.
10.00руб.
В корзину
250508-П29 показать на схеме 250508-П29 Гайка М6 нет в наличии
используйте поиск
252037-П29 показать на схеме 252037-П29 Шайба 6 нет в наличии
используйте поиск
252037-П29 показать на схеме 252037-П29 Шайба 6 нет в наличии
используйте поиск
252134-П2 показать на схеме 252134-П2 Шайба 6 пружинная нет в наличии
используйте поиск
252134-П2 показать на схеме 252134-П2 Шайба 6 пружинная нет в наличии
используйте поиск
2752-1303025-10 показать на схеме 2752-1303025-10 Шланг радиатора отводящий нет в наличии
используйте поиск
2752-1303026-10 показать на схеме 2752-1303026-10 Шланг всасывающий нет в наличии
используйте поиск
296507-П29 показать на схеме 296507-П29 Пробка М22х1,5х10 нет в наличии
используйте поиск
296563-П29 показать на схеме 296563-П29 Пробка КГ3/8" показать наличие
Каталожный номер Фото Артикул Наименование Модель Ед. Наличие Цена в магазине сегодня Цена интернет магазина
296563-П29
  • пробка КГ3/8" радиатора "Красная Этна" г.Н.Новгород Волга,Газель 296563-П29 (в наличии за 16.00 руб.)
400000006277 пробка КГ3/8" радиатора "Красная Этна" г.Н.Новгород Волга,Газель 296563-П29 Газ шт
в наличии
3 шт.
16.00руб.
16.00руб.
В корзину
297282-П показать на схеме 297282-П Прокладка в сборе нет в наличии
используйте поиск
3110-1301164 показать на схеме 3110-1301164 Подушка показать наличие
Каталожный номер Фото Артикул Наименование Модель Ед. Наличие Цена в магазине сегодня Цена интернет магазина
3110-1301164
  • подушка крепления радиатора системы охлаждения РТИ Волга,Газель (в наличии за 42.00 руб.)
400000006686 подушка крепления радиатора системы охлаждения РТИ Волга,Газель Г-3110 шт
в наличии
2 шт.
42.00руб.
36.00руб.
В корзину
3110-1301164 п/у
  • подушка крепления радиатора системы охлаждения (полиуретан)ООО"Еласт" Волга,Газель (в наличии за 19.00 руб.)
400000006685 подушка крепления радиатора системы охлаждения (полиуретан)ООО"Еласт" Волга,Газель Г-3110 шт
в наличии
2 шт.
19.00руб.
19.00руб.
В корзину
3302-1302084-10 показать на схеме 3302-1302084-10 Втулка нет в наличии
используйте поиск
33021-1303010-01 показать на схеме 33021-1303010-01 Шланг радиатора подводящий показать наличие
Каталожный номер Фото Артикул Наименование Модель Ед. Наличие Цена в магазине сегодня Цена интернет магазина
33021-1303010-01
  • шланг радиатора системы охлаждения подводящий Газель ЗМЗ-402 "ВПТ" г.Волжский (в наличии за 200.00 руб.)
400000006610 шланг радиатора системы охлаждения подводящий Газель ЗМЗ-402 "ВПТ" г.Волжский Газель шт
в наличии
1 шт.
200.00руб.
200.00руб.
В корзину
33021-1303018-10 показать на схеме 33021-1303018-10 Труба нет в наличии
используйте поиск
33021-1309011 показать на схеме 33021-1309011 Кожух вентилятора показать наличие
Каталожный номер Фото Артикул Наименование Модель Ед. Наличие Цена в магазине сегодня Цена интернет магазина
33021-1309011
  • кожух вентилятора  Газель ЗМЗ-402 33021-1309011 (срок доставки: 1 день)
100000058952 кожух вентилятора Газель ЗМЗ-402 33021-1309011 Газель шт
срок доставки: 1 день
262.00руб.
В корзину
33021-1309011-10
  • кожух вентилятора  Газель УМЗ-4215 33021-1309011-10 (в наличии за 294.00 руб.)
400000006260 кожух вентилятора Газель УМЗ-4215 33021-1309011-10 Газель шт
в наличии
1 шт.
294.00руб.
294.00руб.
В корзину
33021-1309011-10 показать на схеме 33021-1309011-10 Кожух вентилятора показать наличие
Каталожный номер Фото Артикул Наименование Модель Ед. Наличие Цена в магазине сегодня Цена интернет магазина
33021-1309011-10
  • кожух вентилятора  Газель УМЗ-4215 33021-1309011-10 (в наличии за 294.00 руб.)
400000006260 кожух вентилятора Газель УМЗ-4215 33021-1309011-10 Газель шт
в наличии
1 шт.
294.00руб.
294.00руб.
В корзину
330242-1301.000 показать на схеме 330242-1301.000 Радиатор нет в наличии
используйте поиск
330242-1301010 показать на схеме 330242-1301010 Радиатор показать наличие
Каталожный номер Фото Артикул Наименование Модель Ед. Наличие Цена в магазине сегодня Цена интернет магазина
330242-1301010 400000006909 радиат.2р.ал.н/о GANZ шт нет в наличии
4 479.00руб.
330242-1301010
    400000006911 радиат.3р.ал.н/о HOFE Газель шт нет в наличии
    330242-1301010
    • радиатор 3 рядный алюминиевый Газель нового образца "LUZAR"  (в наличии за 6 139.00 руб.)
    400000006912 радиатор 3 рядный алюминиевый Газель нового образца "LUZAR" Газель шт
    в наличии
    1 шт.
    6 139.00руб.
    6 139.00руб.
    В корзину
    330242-1301010
    • радиатор 3-х рядный медный Газель (с 1998 г.в.) 3302-1301010-33 ООО "Оренбургский радиатор" г.Оренбург (срок доставки: 1 день)
    400000006914 радиатор 3-х рядный медный Газель (с 1998 г.в.) 3302-1301010-33 ООО "Оренбургский радиатор" г.Оренбург Газель шт нет в наличии
    14 704.00руб.
    330242-1301010
    • радиатор 3-х рядный медный Газель-Бизнес ГБ330242.1301.000-32 ООО "Оренбургский радиатор" г.Оренбург (срок доставки: 1 день)
    400000024176 радиатор 3-х рядный медный Газель-Бизнес ГБ330242.1301.000-32 ООО "Оренбургский радиатор" г.Оренбург БИЗНЕС шт нет в наличии
    19 014.00руб.
    330242-1301010
    • радиатор 3-х рядный медный Газель (с 1998 г.в.) 3302-1301010-33 ООО "Оренбургский радиатор" г.Оренбург (срок доставки: 1 день)
    100000017804 радиатор 3-х рядный медный Газель (с 1998 г.в.) 3302-1301010-33 ООО "Оренбургский радиатор" г.Оренбург Газель шт
    срок доставки: 1 день
    19 897.00руб.
    В корзину
    330242-1301010 100000023654 радиат.2р.ал.н/о GANZ шт нет в наличии
    4 489.00руб.
    330242-1301010
    • радиатор 3-х рядный медный Газель-Бизнес ГБ330242.1301.000-32 ООО "Оренбургский радиатор" г.Оренбург (срок доставки: 1 день)
    100000023660 радиатор 3-х рядный медный Газель-Бизнес ГБ330242.1301.000-32 ООО "Оренбургский радиатор" г.Оренбург БИЗНЕС шт
    срок доставки: 1 день
    19 641.00руб.
    В корзину
    330242-1301010 100000053632 радиат.3рядный аллюм шт нет в наличии
    330242-1301010
    • радиатор 2-х рядный алюминевый Газель (с 1998 г.в.) "Пекар" г.С.Петербург  (нет в наличии)
    100000059541 радиатор 2-х рядный алюминевый Газель (с 1998 г.в.) "Пекар" г.С.Петербург Газель шт нет в наличии
    5 637.00руб.
    330242-1301010
      100000059542 радиат.3р.ал.н/о HOFE Газель шт нет в наличии
      6 396.00руб.
      330242-1301010-32
      • радиатор 2-х рядный медный Волга,Газель дв.Крайслер ООО "Оренбургский радиатор" г.Оренбург (срок доставки: 1 день)
      400000068118 радиатор 2-х рядный медный Волга,Газель дв.Крайслер ООО "Оренбургский радиатор" г.Оренбург Газель шт нет в наличии
      330242-1301010-32
      • радиатор 2-х рядный медный Волга,Газель дв.Крайслер ООО "Оренбургский радиатор" г.Оренбург (срок доставки: 1 день)
      100000059550 радиатор 2-х рядный медный Волга,Газель дв.Крайслер ООО "Оренбургский радиатор" г.Оренбург Газель шт
      срок доставки: 1 день
      15 569.00руб.
      В корзину
      330242-1301290-10 показать на схеме 330242-1301290-10 Уплотнитель радиатора нет в наличии
      используйте поиск
      330242-1302010-10 показать на схеме 330242-1302010-10 Рамка радиатора нет в наличии
      используйте поиск
      353126-П показать на схеме 353126-П Пистон нет в наличии
      используйте поиск
      45 9376 1101 показать на схеме 45 9376 1101 Болт М6-6gх14 нет в наличии
      используйте поиск
      45 9953 1818 показать на схеме 45 9953 1818 Гайка М6 нет в наличии
      используйте поиск
      ВС8-1Т показать на схеме ВС8-1Т Краник сливной (Г-21Ю-1305010-А) нет в наличии
      используйте поиск