Интернет-магазин AвтоZапчастей
1 цена, 1 качество, 1 скорость

+7 (909) 281-50-61
+7 (905) 138-55-50
ПН-СБ с 08:00 до 20:00
ВС с 08:00 до 19:00

Мы ВКонтакте

М.Горького,10 - ТЦ Космос
Если вы не нашли полное наименование детали, попробуйте найти сокращенный вариант (подшипник - подш и т.п.)
Корзина всё
ещё пуста
Обратная связь читает ген. директор и собственник
Нам не стыдно за наши цены
телефоны менеджеров
Нам не стыдно за наши цены!
Каталог подбора запчастейКаталог запчастей М20  Победа

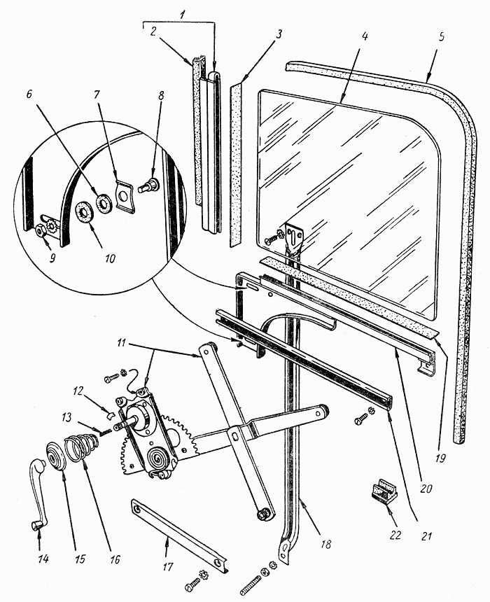
Стеклоподъемник передней двери


* Крупные изображения из каталога Вы можете перемещать по экрану
Метка Каталожный номер Наименование детали Наличие
13 показать на схеме 11-405662 Пружина нет в наличии
используйте поиск
12 показать на схеме 11-405664 Чека крепления ручки нет в наличии
используйте поиск
9 показать на схеме 250510-П8 Гайка М8х1,25 нет в наличии
используйте поиск
2 показать на схеме 30-6103150 Уплотнитель поворотного стекла передней двери на стойке правый нет в наличии
используйте поиск
4 показать на схеме 30-6103214-А Стекло опускное передней двери нет в наличии
используйте поиск
19 показать на схеме 30-6103218 Прокладка опускного стекла передней двери в обойме толстая нет в наличии
используйте поиск
19 показать на схеме 30-6103218-Б Прокладка опускного стекла передней двери в обойме тонкая нет в наличии
используйте поиск
20 показать на схеме 30-6103220 Обойма опускного стекла передней двери правая в сборе нет в наличии
используйте поиск
3 показать на схеме 30-6103230 Прокладка опускного стекла передней двери боковая толстая нет в наличии
используйте поиск
3 показать на схеме 30-6103230-Б Прокладка опускного стекла передней двери боковая тонкая нет в наличии
используйте поиск
1 показать на схеме 30-6103234 Стойка опускного стекла передней двери правая с уплотнителем в сборе нет в наличии
используйте поиск
18 показать на схеме 30-6103240 Стойка направляющая опускного стекла передней двери в сборе нет в наличии
используйте поиск
5 показать на схеме 30-6103254 Желобок опускного стекла передней двери нет в наличии
используйте поиск
11 показать на схеме 30-6104012 Стеклоподъемник нет в наличии
используйте поиск
14 показать на схеме 30-6104064 Ручка стеклоподъемника передней двери в сборе нет в наличии
используйте поиск
21 показать на схеме 30-6104110 Кулиса ролика стеклоподъемника передней двери верхняя нет в наличии
используйте поиск
17 показать на схеме 30-6104114 Кулиса ролика стеклоподъемника двери нижняя в сборе нет в наличии
используйте поиск
15 показать на схеме 30-6105186 Розетка ручки в сборе нет в наличии
используйте поиск
8 показать на схеме 81-6103244 Ролик направляющий опускного стекла передней двери нет в наличии
используйте поиск
7 показать на схеме 81-6103246 Пластина опорная направляющего ролика опускного стекла передней двери нет в наличии
используйте поиск
10 показать на схеме 81-6103252 Шайба диам 11,5 кожаная нет в наличии
используйте поиск
6 показать на схеме 81-6103253 Шайба диам 11,5 кожаная нет в наличии
используйте поиск
22 показать на схеме А-46570 Упор опускного стекла двери нет в наличии
используйте поиск
16 показать на схеме М-48284 Пружина натяжная нет в наличии
используйте поиск