Интернет-магазин AвтоZапчастей
1 цена, 1 качество, 1 скорость

+7 (909) 281-50-61
+7 (905) 138-55-50
ПН-СБ с 08:00 до 20:00
ВС с 08:00 до 19:00

Мы ВКонтакте

М.Горького,10 - ТЦ Космос
Если вы не нашли полное наименование детали, попробуйте найти сокращенный вариант (подшипник - подш и т.п.)
Корзина всё
ещё пуста
Обратная связь читает ген. директор и собственник
Нам не стыдно за наши цены
телефоны менеджеров
Нам не стыдно за наши цены!
Каталог подбора запчастейКаталог запчастей М20  Победа

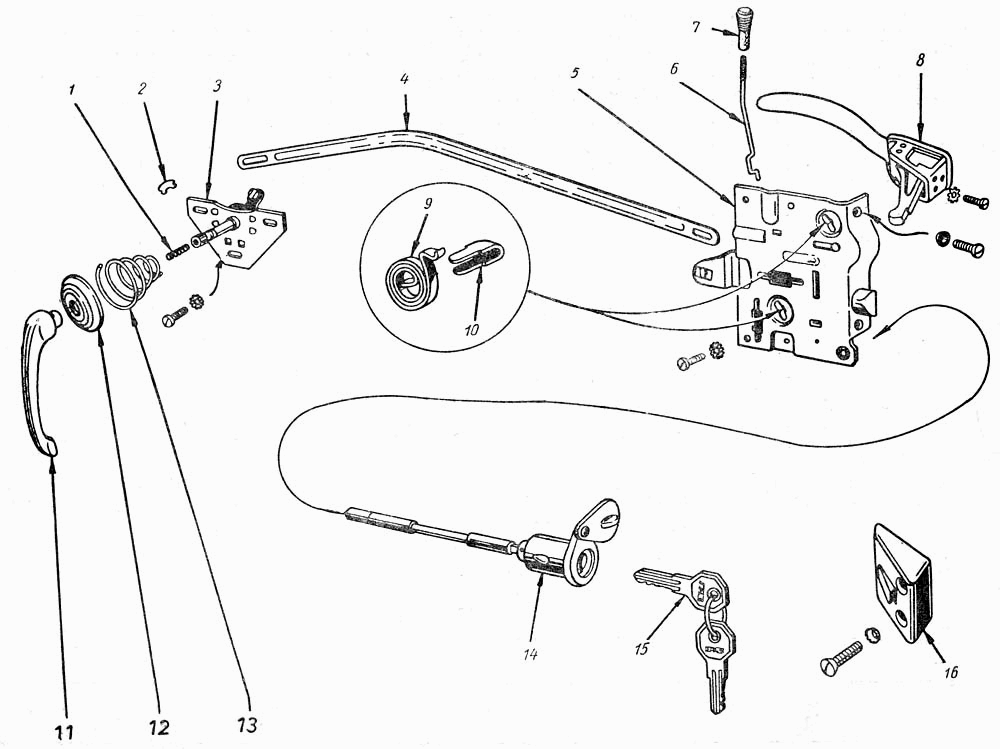
Замок и ручки передней двери


* Крупные изображения из каталога Вы можете перемещать по экрану
1
2
5
6
7
3
4
16
14
8
11
12
15
9
13
10

Метка Каталожный номер Наименование детали Наличие
1 показать на схеме 11-405662 Пружина нет в наличии
используйте поиск
2 показать на схеме 11-405664 Чека крепления ручки нет в наличии
используйте поиск
5 показать на схеме 30-6105012 Замок передней двери правый в сборе нет в наличии
используйте поиск
6 показать на схеме 30-6105070 Тяга выключения замка передней двери правая нет в наличии
используйте поиск
7 показать на схеме 30-6105074 Наконечник тяги выключения замка двери нет в наличии
используйте поиск
3 показать на схеме 30-6105082 Привод замка передней двери правый в сборе нет в наличии
используйте поиск
4 показать на схеме 30-6105102 Тяга привода замка передней двери нет в наличии
используйте поиск
16 показать на схеме 30-6105104 Защелка замка двери в сборе нет в наличии
используйте поиск
14 показать на схеме 30-6105120-Б Выключатель замка передней двери в сборе нет в наличии
используйте поиск
8 показать на схеме 30-6105150 Ручка передней двери наружная в сборе нет в наличии
используйте поиск
11 показать на схеме 30-6105182 Ручка двери внутренняя нет в наличии
используйте поиск
12 показать на схеме 30-6105186 Розетка ручки в сборе нет в наличии
используйте поиск
15 показать на схеме 51-3704100 Ключ нет в наличии
используйте поиск
9 показать на схеме 81-6105058 Пружина ползуна и толкателя замка двери нет в наличии
используйте поиск
13 показать на схеме М-48284 Пружина натяжная нет в наличии
используйте поиск
10 показать на схеме М-702271 Держатель пружины замка двери нет в наличии
используйте поиск