Интернет-магазин AвтоZапчастей
1 цена, 1 качество, 1 скорость

+7 (909) 281-50-61
+7 (905) 138-55-50
ПН-СБ с 08:00 до 20:00
ВС с 08:00 до 19:00

Мы ВКонтакте

М.Горького,10 - ТЦ Космос
Если вы не нашли полное наименование детали, попробуйте найти сокращенный вариант (подшипник - подш и т.п.)
Корзина всё
ещё пуста
Обратная связь читает ген. директор и собственник
Нам не стыдно за наши цены
телефоны менеджеров
Нам не стыдно за наши цены!
Каталог подбора запчастейКаталог запчастей М20  Победа

Отопление


* Крупные изображения из каталога Вы можете перемещать по экрану
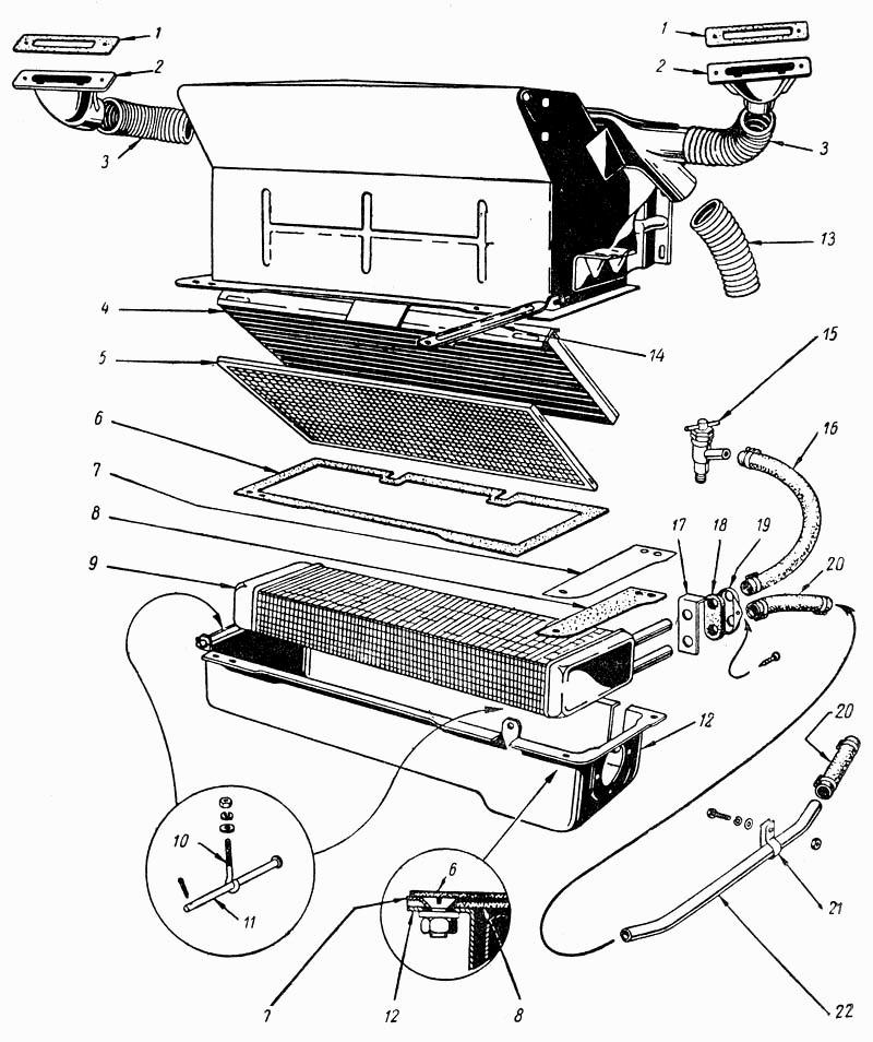
11
21
14
5
4
10
15
22
16
20
20
9
12
12
6
6
7
7
8
8
17
18
19
2
2
1
1
1
3
3
13

Метка Каталожный номер Наименование детали Наличие
11 показать на схеме 295808-П8 Палец 8х145 тяги крепления отопителя нет в наличии
используйте поиск
21 показать на схеме 297507-П8 Скоба крепления выпускной трубы отопителя нет в наличии
используйте поиск
14 показать на схеме 30-5301142 Распорка панели приборов правая нет в наличии
используйте поиск
5 показать на схеме 30-5304140 Фильтр вентиляции передка в сборе нет в наличии
используйте поиск
4 показать на схеме 30-5304150 Рамка фильтра вентиляции передка в сборе нет в наличии
используйте поиск
10 показать на схеме 30-8101016 Тяга крепления отопителя нет в наличии
используйте поиск
15 показать на схеме 30-8101020 Краник запорный отопителя в сборе нет в наличии
используйте поиск
22 показать на схеме 30-8101032 Труба впускная отопителя нет в наличии
используйте поиск
16 показать на схеме 30-8101036 Шланг соединительный нет в наличии
используйте поиск
20 показать на схеме 30-8101038 Шланг впускной трубы отопителя - длинный нет в наличии
используйте поиск
20 показать на схеме 30-8101038 Шланг впускной трубы отопителя - длинный нет в наличии
используйте поиск
9 показать на схеме 30-8101060 Радиатор отопителя в сборе нет в наличии
используйте поиск
12 показать на схеме 30-8101100 Кожух радиатора отопителя нет в наличии
используйте поиск
12 показать на схеме 30-8101100 Кожух радиатора отопителя нет в наличии
используйте поиск
6 показать на схеме 30-8101114 Прокладка кожуха радиатора отопителя верхняя нет в наличии
используйте поиск
6 показать на схеме 30-8101114 Прокладка кожуха радиатора отопителя верхняя нет в наличии
используйте поиск
7 показать на схеме 30-8101116-А Прокладка кожуха радиатора отопителя средняя нет в наличии
используйте поиск
7 показать на схеме 30-8101116-А Прокладка кожуха радиатора отопителя средняя нет в наличии
используйте поиск
8 показать на схеме 30-8101118-А Прокладка кожуха радиатора отопителя нижняя нет в наличии
используйте поиск
8 показать на схеме 30-8101118-А Прокладка кожуха радиатора отопителя нижняя нет в наличии
используйте поиск
17 показать на схеме 30-8101120 Заслонка кожуха радиатора отопителя нет в наличии
используйте поиск
18 показать на схеме 30-8101170 Уплотнитель трубок радиатора отопителя нет в наличии
используйте поиск
19 показать на схеме 30-8101174 Обойма уплотнителя трубок радиатора отопителя нет в наличии
используйте поиск
2 показать на схеме 30-8102040 Патрубок трубопровода вентилятора обдува ветрового стекла в сборе нет в наличии
используйте поиск
2 показать на схеме 30-8102040 Патрубок трубопровода вентилятора обдува ветрового стекла в сборе нет в наличии
используйте поиск
1 показать на схеме 30-8102050 Прокладка патрубка трубопровода вентилятора нет в наличии
используйте поиск
1 показать на схеме 30-8102050 Прокладка патрубка трубопровода вентилятора нет в наличии
используйте поиск
1 показать на схеме 30-8102050 Прокладка патрубка трубопровода вентилятора нет в наличии
используйте поиск
3 показать на схеме 30-8102060 Шланг трубопровода вентилятора длинный нет в наличии
используйте поиск
3 показать на схеме 30-8102060 Шланг трубопровода вентилятора длинный нет в наличии
используйте поиск
13 показать на схеме 30-8102062 Шланг трубопровода вентилятора короткий нет в наличии
используйте поиск