Интернет-магазин AвтоZапчастей
1 цена, 1 качество, 1 скорость

+7 (909) 281-50-61
+7 (905) 138-55-50
ПН-СБ с 08:00 до 20:00
ВС с 08:00 до 19:00

Мы ВКонтакте

М.Горького,10 - ТЦ Космос
Если вы не нашли полное наименование детали, попробуйте найти сокращенный вариант (подшипник - подш и т.п.)
Корзина всё
ещё пуста
Обратная связь читает ген. директор и собственник
Нам не стыдно за наши цены
телефоны менеджеров
Нам не стыдно за наши цены!
Каталог подбора запчастейКаталог запчастей М20  Победа

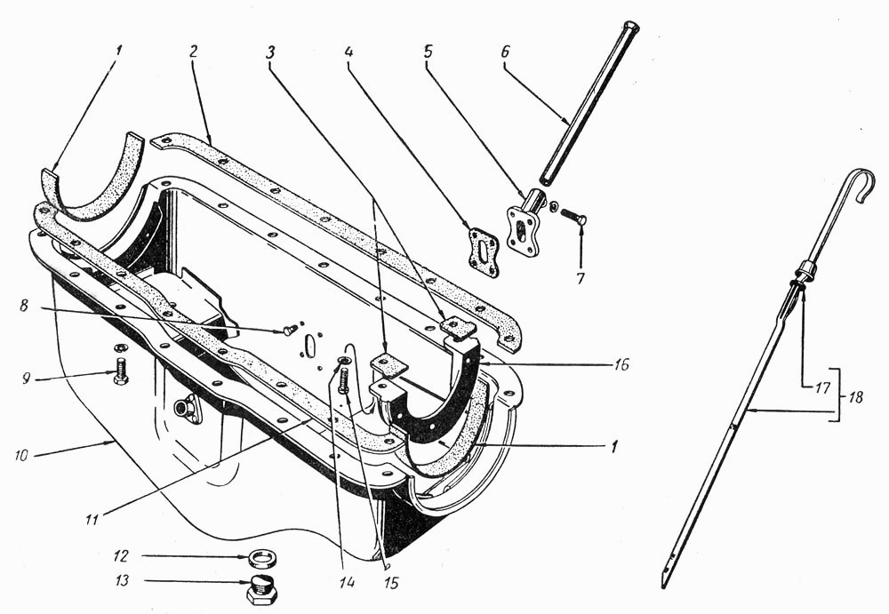
Картер масляный


* Крупные изображения из каталога Вы можете перемещать по экрану
1
1
1
16
3
10
18
11
2
2
2
8
7
12
15
14
13
9
5
4
6
17

Метка Каталожный номер Наименование детали Наличие
1 показать на схеме 11-6701 Прокладка масляного картера передняя и задняя нет в наличии
используйте поиск
1 показать на схеме 11-6701 Прокладка масляного картера передняя и задняя нет в наличии
используйте поиск
1 показать на схеме 11-6701 Прокладка масляного картера передняя и задняя нет в наличии
используйте поиск
16 показать на схеме 11-6705 Скоба уплотнения передней части масляного картера нет в наличии
используйте поиск
3 показать на схеме 11-6706 Прокладка скобы уплотнения передней части масляного картера нет в наличии
используйте поиск
10 показать на схеме 20-1009010-Б Картер масляный в сборе нет в наличии
используйте поиск
18 показать на схеме 20-1009050-Б Указатель уровня масла в сборе нет в наличии
используйте поиск
11 показать на схеме 20-1009070 Прокладка масляного картера правая нет в наличии
используйте поиск
2 показать на схеме 20-1009071 Прокладка масляного картера левая нет в наличии
используйте поиск
2 показать на схеме 20-1009071 Прокладка масляного картера левая нет в наличии
используйте поиск
2 показать на схеме 20-1009071 Прокладка масляного картера левая нет в наличии
используйте поиск
8 показать на схеме 201415-П Болт М6х1х10 нет в наличии
используйте поиск
7 показать на схеме 201422-П8 Болт М6-6gх25 нет в наличии
используйте поиск
12 показать на схеме 201456-П8 Болт М8х1,25х20 нет в наличии
используйте поиск
15 показать на схеме 222527-П Винт М6х20 нет в наличии
используйте поиск
14 показать на схеме 252174-П8 Шайба 6 пружинная нет в наличии
используйте поиск
13 показать на схеме 296507-П8 Пробка М22х1,5х10 показать наличие
Каталожный номер Фото Артикул Наименование Модель Ед. Наличие Цена в магазине сегодня Цена интернет магазина
296507-П8
  • пробка М22х1,5х10 крышки картера заднего моста  Волга,Газель  (в наличии за 60.00 руб.)
400000006761 пробка М22х1,5х10 крышки картера заднего моста Волга,Газель Газ шт
в наличии
1 шт.
60.00руб.
60.00руб.
В корзину
9 показать на схеме 297282-П Прокладка диаметром 22 пробки в сборе нет в наличии
используйте поиск
5 показать на схеме 63-1009041 Патрубок указателя уровня масла нет в наличии
используйте поиск
4 показать на схеме 63-1009042 Прокладка патрубка указателя уровня масла нет в наличии
используйте поиск
6 показать на схеме 63-1009045 Трубка указателя уровня масла нет в наличии
используйте поиск
17 показать на схеме 70-6752 Прокладка указателя уровня масла нет в наличии
используйте поиск