Интернет-магазин AвтоZапчастей
1 цена, 1 качество, 1 скорость

+7 (909) 281-50-61
+7 (905) 138-55-50
ПН-СБ с 08:00 до 20:00
ВС с 08:00 до 19:00

Мы ВКонтакте

М.Горького,10 - ТЦ Космос
Если вы не нашли полное наименование детали, попробуйте найти сокращенный вариант (подшипник - подш и т.п.)
Корзина всё
ещё пуста
Обратная связь читает ген. директор и собственник
Нам не стыдно за наши цены
телефоны менеджеров
Нам не стыдно за наши цены!
Каталог подбора запчастейКаталог запчастей М20  Победа

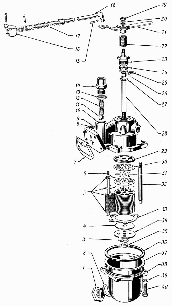
Фильтр масляный грубой очистки


* Крупные изображения из каталога Вы можете перемещать по экрану
Метка Каталожный номер Наименование детали Наличие
7 показать на схеме 12-1012080-Б Прокладка корпуса масляного фильтра нет в наличии
используйте поиск
18 показать на схеме 20-1012090 Тяга рукоятки масляного фильтра грубой очистки в сборе нет в наличии
используйте поиск
17 показать на схеме 20-1012093 Пружина тяги рукоятки масляного фильтра грубой очистки нет в наличии
используйте поиск
16 показать на схеме 20-1012094-Б Упор тяги рукоятки масляного фильтра грубой очистки нет в наличии
используйте поиск
9 показать на схеме 201458-П8 Болт М8х1,25х25 нет в наличии
используйте поиск
40 показать на схеме 201460-П8 Болт М8-6gх30 нет в наличии
используйте поиск
12 показать на схеме 202-6092 Пружина перепускного клапана масляного радиатора нет в наличии
используйте поиск
19 показать на схеме 250764-П8 Гайка М6х1 нет в наличии
используйте поиск
35 показать на схеме 250765-П2 Гайка 1М8х1 нет в наличии
используйте поиск
8 показать на схеме 252135-П2 Шайба 8Т ОСТ 37.001.115-75 нет в наличии
используйте поиск
15 показать на схеме 258038-П Шплинт 2,7х15 нет в наличии
используйте поиск
39 показать на схеме 293271-П8 Шайба 8 нет в наличии
используйте поиск
27 показать на схеме 293346-П2 Шайба 12 упорная нет в наличии
используйте поиск
1 показать на схеме 296495-П Пробка 1М18х1,5 нет в наличии
используйте поиск
14 показать на схеме 296499-П8 Пробка М18х1,5 нет в наличии
используйте поиск
2 показать на схеме 297248-П Прокладка диаметром 18 пробки в сборе нет в наличии
используйте поиск
13 показать на схеме 297248-П Прокладка диаметром 18 пробки в сборе нет в наличии
используйте поиск
2 показать на схеме 297248-П Прокладка диаметром 18 пробки в сборе нет в наличии
используйте поиск
13 показать на схеме 297248-П Прокладка диаметром 18 пробки в сборе нет в наличии
используйте поиск
11 показать на схеме 353087-S Шарик диаметром 11,9 мм нет в наличии
используйте поиск
20 показать на схеме И2-3901004 Шайба гайки крепления рукоятки масляного фильтра нет в наличии
используйте поиск
10 показать на схеме МФ1-1012015 Корпус масляного фильтра грубой очистки нет в наличии
используйте поиск
32 показать на схеме МФ1-1012026 Стойка фильтрующего элемента масляного фильтра грубой очистки нет в наличии
используйте поиск
6 показать на схеме МФ1-1012027 Стержень счищающих пластин нет в наличии
используйте поиск
28 показать на схеме МФ1-1012031-Г Валик масляного фильтра грубой очистки нет в наличии
используйте поиск
21 показать на схеме МФ1-1012032-Г Рукоятка масляного фильтра грубой очистки в сборе нет в наличии
используйте поиск
25 показать на схеме МФ1-1012036 Шайба замковая нет в наличии
используйте поиск
26 показать на схеме МФ1-1012037 Шайба сальника масляного фильтра грубой очистки нет в наличии
используйте поиск
24 показать на схеме МФ1-1012038 Сальник валика масляного фильтра грубой очистки нет в наличии
используйте поиск
23 показать на схеме МФ1-1012039 Гайка сальника масляного фильтра нет в наличии
используйте поиск
22 показать на схеме МФ1-1012043-Г Пружина рукоятки масляного фильтра нет в наличии
используйте поиск
30 показать на схеме МФ1-1012051 Пластина фильтрующая масляного фильтра грубой очистки нет в наличии
используйте поиск
31 показать на схеме МФ1-1012052 Пластина промежуточная масляного фильтра грубой очистки нет в наличии
используйте поиск
5 показать на схеме МФ1-1012053 Пластина счищающая масляного фильтра нет в наличии
используйте поиск
4 показать на схеме МФ1-1012054 Шайба направляющая нет в наличии
используйте поиск
29 показать на схеме МФ1-1012055-А Шайба упорная фильтрующего элемента масляного фильтра нет в наличии
используйте поиск
34 показать на схеме МФ1-1012056 Шайба зажимная фильтрующего элемента масляного фильтра грубой очистки нет в наличии
используйте поиск
3 показать на схеме МФ1-1012058 Шайба стопорная нет в наличии
используйте поиск
33 показать на схеме МФ1-1012059 Пластина опорная фильтрующего элемента масляного фильтра нет в наличии
используйте поиск
37 показать на схеме МФ1-1012062 Отстойник масляного фильтра грубой очистки в сборе нет в наличии
используйте поиск
38 показать на схеме МФ1-1012067 Фланец отстойника масляного фильтра грубой очистки нет в наличии
используйте поиск
36 показать на схеме МФ1-1012068 Прокладка отстойника масляного фильтра грубой очистки нет в наличии
используйте поиск