Интернет-магазин AвтоZапчастей
1 цена, 1 качество, 1 скорость

+7 (909) 281-50-61
+7 (905) 138-55-50
ПН-СБ с 08:00 до 20:00
ВС с 08:00 до 19:00

Мы ВКонтакте

М.Горького,10 - ТЦ Космос
Если вы не нашли полное наименование детали, попробуйте найти сокращенный вариант (подшипник - подш и т.п.)
Корзина всё
ещё пуста
Обратная связь читает ген. директор и собственник
Нам не стыдно за наши цены
телефоны менеджеров
Нам не стыдно за наши цены!
Каталог подбора запчастейКаталог запчастей М20  Победа

Карбюратор


* Крупные изображения из каталога Вы можете перемещать по экрану
Метка Каталожный номер Наименование детали Наличие
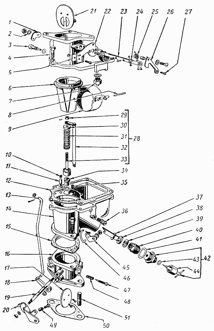
50 показать на схеме 11-9447 Прокладка между карбюратором и впускной трубой нет в наличии
используйте поиск
8 показать на схеме 14-42Н Ось петли поплавка нет в наличии
используйте поиск
29 показать на схеме 23-27 Гайка крепления штока нет в наличии
используйте поиск
24 показать на схеме 23-51А Пружина оси воздушной заслонки нет в наличии
используйте поиск
13 показать на схеме 23-53 Тяга привода эксцентрика минимального газа нет в наличии
используйте поиск
22 показать на схеме 23-54 Кронштейн тяги воздушной заслонки нет в наличии
используйте поиск
5 показать на схеме 23-55 Зажим кронштейна тяги воздушной заслонки нет в наличии
используйте поиск
25 показать на схеме 23-58А Пружина рычага привода воздушной заслонки нет в наличии
используйте поиск
18 показать на схеме 23-68А Эксцентрик минимального газа нет в наличии
используйте поиск
51 показать на схеме 291790-П Шпилька (1М10х1 и М10х1,5)х36 крепления карбюратора нет в наличии
используйте поиск
30 показать на схеме 6-19 Шайба фасонная показать наличие
Каталожный номер Фото Артикул Наименование Модель Ед. Наличие Цена в магазине сегодня Цена интернет магазина
6-19мм AUTOVIRAZH
  • Набор комбинированных ключей AV Steel AUTOVIRAZH 6-19 мм AV-212010 (нет в наличии)
400000034121 Набор комбинированных ключей AV Steel AUTOVIRAZH 6-19 мм AV-212010 212010 компл нет в наличии
834.00руб.
6-19мм AUTOVIRAZH
  • Набор комбинированных ключей AV Steel AUTOVIRAZH 6-19 мм AV-212010 (нет в наличии)
100000010906 Набор комбинированных ключей AV Steel AUTOVIRAZH 6-19 мм AV-212010 212010 компл нет в наличии
815.00руб.
6-19мм AUTOVIRAZH
  • Набор комбинированных ключей AV Steel AUTOVIRAZH 6-19 мм 8 предметов AV-212008 (нет в наличии)
100000027053 Набор комбинированных ключей AV Steel AUTOVIRAZH 6-19 мм 8 предметов AV-212008 212008 компл нет в наличии
595.00руб.
43 показать на схеме К-49-1107153 Сальник регулировочный иглы нет в наличии
используйте поиск
40 показать на схеме К22-1107027 Блок жиклеров нет в наличии
используйте поиск
38 показать на схеме К22-1107028 Распылитель главного жиклера нет в наличии
используйте поиск
6 показать на схеме К22-1107030 Диффузор в сборе нет в наличии
используйте поиск
45 показать на схеме К22-1107048 Рычаг привода ускорительного насоса нет в наличии
используйте поиск
1 показать на схеме К22-1107048-А Рычаг привода эксцентрика минимального газа нет в наличии
используйте поиск
32 показать на схеме К22-1107050 Тяга ускорительного насоса с соединительной планкой в сборе нет в наличии
используйте поиск
12 показать на схеме К22-1107085 Прокладка корпуса карбюратора нет в наличии
используйте поиск
15 показать на схеме К22-1107086А Прокладка нет в наличии
используйте поиск
28 показать на схеме К22-1107120 Ускорительный насос в сборе нет в наличии
используйте поиск
31 показать на схеме К22-1107122 Пружина нет в наличии
используйте поиск
33 показать на схеме К22-1107130 Поршень со штоком ускорительного насоса в сборе нет в наличии
используйте поиск
3 показать на схеме К22-1107160 Распылитель ускорительного насоса в сборе нет в наличии
используйте поиск
21 показать на схеме К22-1107230 Заслонка воздушная в сборе нет в наличии
используйте поиск
23 показать на схеме К22-1107240-А Ось воздушной заслонки в сборе нет в наличии
используйте поиск
26 показать на схеме К22-1107250 Рычаг привода воздушной заслонки в сборе нет в наличии
используйте поиск
4 показать на схеме К22-1107320 Корпус карбюратора верхний с трубкой в сборе нет в наличии
используйте поиск
14 показать на схеме К22-1107420 Корпус поплавковой камеры карбюратора с заглушками в сборе нет в наличии
используйте поиск
35 показать на схеме К22-1107440 Клапан обратный ускорительного насоса в сборе нет в наличии
используйте поиск
34 показать на схеме К22-1107450 Клапан экономайзера в сборе нет в наличии
используйте поиск
47 показать на схеме К22-1107503 Винт регулировочный холостого хода нет в наличии
используйте поиск
17 показать на схеме К22-1107531 Заслонка дроссельная нет в наличии
используйте поиск
19 показать на схеме К22-1107542 Ось дроссельной заслонки нет в наличии
используйте поиск
16 показать на схеме К22-1107560 Корпус смесительной камеры карбюратора в сборе нет в наличии
используйте поиск
9 показать на схеме К22-1107600-А Поплавок с петлей в сборе нет в наличии
используйте поиск
46 показать на схеме К22А-1107046 Тяга привода ускорительного насоса нет в наличии
используйте поиск
20 показать на схеме К23-1107063С Рычаг оси дроссельной заслонки в сборе нет в наличии
используйте поиск
39 показать на схеме К49-1107087 Прокладка блока жиклеров нет в наличии
используйте поиск
37 показать на схеме К49-1107088-А Прокладка распылителя нет в наличии
используйте поиск
42 показать на схеме К49-1107150 Игла регулировочная в сборе нет в наличии
используйте поиск
44 показать на схеме К49-1107154 Гайка сальника нет в наличии
используйте поиск
7 показать на схеме К49-1107330 Клапан подачи горючего в сборе нет в наличии
используйте поиск
11 показать на схеме К49-1107331 Клапан нагнетательный ускорительного насоса нет в наличии
используйте поиск
36 показать на схеме К49-1107409-1 Жиклер холостого хода нет в наличии
используйте поиск
10 показать на схеме К49-1107412 Замок клапана ускорительного насоса нет в наличии
используйте поиск
27 показать на схеме Н00113 Винт М4х0,7х8 нет в наличии
используйте поиск
2 показать на схеме Н00902 Шайба 5,4 пружинная нет в наличии
используйте поиск
2 показать на схеме Н00902 Шайба 5,4 пружинная нет в наличии
используйте поиск
2 показать на схеме Н00902 Шайба 5,4 пружинная нет в наличии
используйте поиск
41 показать на схеме Н01747 Шайба 18,2 фибровая нет в наличии
используйте поиск
48 показать на схеме Н07103 Пружина регулировочного винта холостого хода нет в наличии
используйте поиск
49 показать на схеме Н07121 Пружина упорного винта нет в наличии
используйте поиск