Интернет-магазин AвтоZапчастей
1 цена, 1 качество, 1 скорость

+7 (909) 281-50-61
+7 (905) 138-55-50
ПН-СБ с 08:00 до 20:00
ВС с 08:00 до 19:00

Мы ВКонтакте

М.Горького,10 - ТЦ Космос
Если вы не нашли полное наименование детали, попробуйте найти сокращенный вариант (подшипник - подш и т.п.)
Корзина всё
ещё пуста
Обратная связь читает ген. директор и собственник
Нам не стыдно за наши цены
телефоны менеджеров
Нам не стыдно за наши цены!
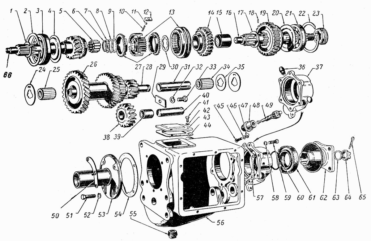
Каталог подбора запчастейКаталог запчастей М20  Победа

Коробка передач


* Крупные изображения из каталога Вы можете перемещать по экрану
Метка Каталожный номер Наименование детали Наличие
54 показать на схеме 11-7051-Б Прокладка крышки подшипника первичного вала коробки передач нет в наличии
используйте поиск
28 показать на схеме 11-7111 Ось блока шестерен промежуточного вала коробки передач нет в наличии
используйте поиск
40 показать на схеме 11-7140 Ось промежуточной шестерни заднего хода коробки передач нет в наличии
используйте поиск
29 показать на схеме 11-7155 Стопор осей блока шестерен промежуточного вала и промежуточной шестерни коробки передач нет в наличии
используйте поиск
56 показать на схеме 20-1701015-Б3 Картер коробки передач нет в наличии
используйте поиск
43 показать на схеме 20-1701020 Крышка смотрового люка картера коробки передач нет в наличии
используйте поиск
44 показать на схеме 20-1701021 Прокладка крышки смотрового люка картера коробки передач нет в наличии
используйте поиск
66 показать на схеме 20-1701030-Б Вал первичный коробки передач нет в наличии
используйте поиск
3 показать на схеме 20-1701032 Подшипник шариковый первичного вала коробки передач задний (ГПЗ-50208У) нет в наличии
используйте поиск
2 показать на схеме 20-1701034 Кольцо стопорное подшипника показать наличие
Каталожный номер Фото Артикул Наименование Модель Ед. Наличие Цена в магазине сегодня Цена интернет магазина
20-1701034
  • кольцо стопорное подшипника первичного вала 5-ти ступенчатой КПП  Волга,Газель 20-1701034 (срок доставки: 1 день)
100000036435 кольцо стопорное подшипника первичного вала 5-ти ступенчатой КПП Волга,Газель 20-1701034 Волга шт
срок доставки: 1 день
10.00руб.
В корзину
20-1701034 100000060077 кольцо стоп.208 подш шт
срок доставки: 1 день
24.00руб.
В корзину
1 показать на схеме 20-1701036 Кольцо упорное нет в наличии
используйте поиск
53 показать на схеме 20-1701040-Б Крышка подшипника первичного вала коробки передач нет в наличии
используйте поиск
26 показать на схеме 20-1701050-В Блок шестерен промежуточного вала коробки передач нет в наличии
используйте поиск
35 показать на схеме 20-1701062 Шайба упорная блока шестерен промежуточного вала коробки передач плавающая нет в наличии
используйте поиск
38 показать на схеме 20-1701080-Б Шестерня промежуточная заднего хода коробки передач с втулкой в сборе нет в наличии
используйте поиск
16 показать на схеме 20-1701105-В Вал вторичный коробки передач нет в наличии
используйте поиск
19 показать на схеме 20-1701112-В Шестерня скользящая первой передачи и заднего хода коробки передач нет в наличии
используйте поиск
13 показать на схеме 20-1701116-Б Муфта скользящая переключения второй и третьей передач со ступицей - комплект нет в наличии
используйте поиск
14 показать на схеме 20-1701126-Б Шестерня второй передачи коробки передач с втулкой в сборе нет в наличии
используйте поиск
15 показать на схеме 20-1701130-Б Втулка шестерни второй передачи коробки передач нет в наличии
используйте поиск
17 показать на схеме 20-1701132 Шайба упорная шестерни второй передачи коробки передач нет в наличии
используйте поиск
30 показать на схеме 20-1701158 Шайба между ступицей скользящей муфты и шестерней второй передачи коробки передач нет в наличии
используйте поиск
7 показать на схеме 20-1701159 Кольцо стопорное толщиной 2,0 мм нет в наличии
используйте поиск
27 показать на схеме 20-1701164 Кольцо блокирующее второй и третьей передач синхронизатора коробки передач нет в наличии
используйте поиск
10 показать на схеме 20-1701170 Пружина синхронизатора коробки передач нет в наличии
используйте поиск
12 показать на схеме 20-1701171 Сухарь блокировочный второй и третьей передач синхронизатора коробки передач нет в наличии
используйте поиск
5 показать на схеме 20-1701182 Ролик переднего подшипника вторичного вала коробки передач показать наличие
Каталожный номер Фото Артикул Наименование Модель Ед. Наличие Цена в магазине сегодня Цена интернет магазина
20-1701182
  • ролики подшипника первичного вала 5-ти ступенчатой КПП  Волга,Газель (в наличии за 121.00 руб.)
400000007059 ролики подшипника первичного вала 5-ти ступенчатой КПП Волга,Газель Газ компл
в наличии
1 шт.
121.00руб.
121.00руб.
В корзину
6 показать на схеме 20-1701183 Кольцо стопорное роликового подшипника вторичного вала коробки передач нет в наличии
используйте поиск
21 показать на схеме 20-1701190 Подшипник 50 306КШ раздаточной коробки (ГПЗ-50306) показать наличие
Каталожный номер Фото Артикул Наименование Модель Ед. Наличие Цена в магазине сегодня Цена интернет магазина
20-1701190
  • Подшипник промежуточного вала задний Р/К 50306 UBP УАЗ (срок доставки: 1 день)
100000060231 Подшипник промежуточного вала задний Р/К 50306 UBP УАЗ УАЗ шт
срок доставки: 1 день
219.00руб.
В корзину
22 показать на схеме 20-1701192 Кольцо стопорное нет в наличии
используйте поиск
57 показать на схеме 20-1701203-Б Прокладка крышки заднего подшипника вторичного вала коробки передач нет в наличии
используйте поиск
37 показать на схеме 20-1701205-Г Крышка заднего подшипника вторичного вала нет в наличии
используйте поиск
61 показать на схеме 20-1701210 Сальник нет в наличии
используйте поиск
60 показать на схеме 20-1701220 Пружина сальника крышки заднего подшипника вторичного вала нет в наличии
используйте поиск
62 показать на схеме 20-1701238-Б Фланец вторичного вала коробки передач в сборе нет в наличии
используйте поиск
63 показать на схеме 20-2402064-Б Шайба 21 нет в наличии
используйте поиск
23 показать на схеме 20-3802033-В Шестерня привода к спидометру ведущая нет в наличии
используйте поиск
49 показать на схеме 20-3802034-В Шестерня привода к спидометру ведомая нет в наличии
используйте поиск
41 показать на схеме 201417-П8 Болт М6х1х14 нет в наличии
используйте поиск
59 показать на схеме 201458-П8 Болт М8х1,25х25 нет в наличии
используйте поиск
51 показать на схеме 201458-П8 Болт М8х1,25х25 нет в наличии
используйте поиск
59 показать на схеме 201458-П8 Болт М8х1,25х25 нет в наличии
используйте поиск
33 показать на схеме 201493-П8 Болт М10-6gх16 нет в наличии
используйте поиск
42 показать на схеме 252134-П2 Шайба 6Т ОСТ 37.001.115-75 нет в наличии
используйте поиск
52 показать на схеме 252135-П2 Шайба 8Т ОСТ 37.001.115-75 нет в наличии
используйте поиск
58 показать на схеме 252135-П2 Шайба 8Т ОСТ 37.001.115-75 нет в наличии
используйте поиск
52 показать на схеме 252135-П2 Шайба 8Т ОСТ 37.001.115-75 нет в наличии
используйте поиск
32 показать на схеме 252136-П2 Шайба 10 ОТ ОСТ 37.001.115-75 нет в наличии
используйте поиск
46 показать на схеме 252154-П2 Шайба 6Л ОСТ 37.001.115-75 нет в наличии
используйте поиск
65 показать на схеме 258054-П Шплинт 4х30 нет в наличии
используйте поиск
18 показать на схеме 258611-П18 Штифт 4х10 показать наличие
Каталожный номер Фото Артикул Наименование Модель Ед. Наличие Цена в магазине сегодня Цена интернет магазина
258611-П18
  • штифты вторичного вала 5ст   (срок доставки: 1 день)
400000050102 штифты вторичного вала 5ст Газ компл нет в наличии
63.00руб.
258611-П18
  • штифты вторичного вала 5ст   (срок доставки: 1 день)
100000020815 штифты вторичного вала 5ст Газ компл
срок доставки: 1 день
63.00руб.
В корзину
55 показать на схеме 262513-П Пробка КГ 3/4" нет в наличии
используйте поиск
45 показать на схеме 290490-П8 Болт М6-6gх12 нет в наличии
используйте поиск
64 показать на схеме 292917-П2 Гайка 1М20х1,5 показать наличие
Каталожный номер Фото Артикул Наименование Модель Ед. Наличие Цена в магазине сегодня Цена интернет магазина
292917-п29 корончата
  • гайка хвостовика заднего моста Газ (срок доставки: 1 день)
100000036374 гайка хвостовика заднего моста Газ Волга шт
срок доставки: 1 день
36.00руб.
В корзину
36 показать на схеме 298429-П Сапун в сборе К1/8" нет в наличии
используйте поиск
11 показать на схеме 508605 Шарик диаметром 1/4" блокировочного сухаря синхронизатора коробки передач нет в наличии
используйте поиск
50 показать на схеме 51-1601190 Скоба оттяжной пружины муфты подшипника выключения сцепления нет в наличии
используйте поиск
48 показать на схеме 51-3802030 Штуцер гибкого вала нет в наличии
используйте поиск
47 показать на схеме 51-3802031 Стопор нет в наличии
используйте поиск
39 показать на схеме А-7143-В Втулка промежуточной шестерни заднего хода коробки передач нет в наличии
используйте поиск
4 показать на схеме М-7040 Маслоотражатель подшипника первичного вала коробки передач нет в наличии
используйте поиск
20 показать на схеме М-7080-А1 Маслоотражатель подшипника вторичного вала коробки передач нет в наличии
используйте поиск
8 показать на схеме М-7112 Прокладка регулировочная вторичного вала толстая нет в наличии
используйте поиск
9 показать на схеме М-7114 Прокладка регулировочная вторичного вала тонкая нет в наличии
используйте поиск
31 показать на схеме М-7115 Втулка распорная роликовых подшипников блока шестерен промежуточного вала коробки передач нет в наличии
используйте поиск
25 показать на схеме М-7118 Подшипник роликовый блока шестерен промежуточного вала коробки передач-короткий (ГПЗ-64903) нет в наличии
используйте поиск
24 показать на схеме М-7119 Шайба упорная блока шестерен промежуточного вала коробки передач - неподвижная нет в наличии
используйте поиск
34 показать на схеме М-7121 Подшипник роликовый блока шестерен промежуточного вала коробки передач длинный (ГПЗ-64904) нет в наличии
используйте поиск