Интернет-магазин AвтоZапчастей
1 цена, 1 качество, 1 скорость

+7 (909) 281-50-61
+7 (905) 138-55-50
ПН-СБ с 08:00 до 20:00
ВС с 08:00 до 19:00

Мы ВКонтакте

М.Горького,10 - ТЦ Космос
Если вы не нашли полное наименование детали, попробуйте найти сокращенный вариант (подшипник - подш и т.п.)
Корзина всё
ещё пуста
Обратная связь читает ген. директор и собственник
Нам не стыдно за наши цены
телефоны менеджеров
Нам не стыдно за наши цены!
Каталог подбора запчастейКаталог запчастей М20  Победа

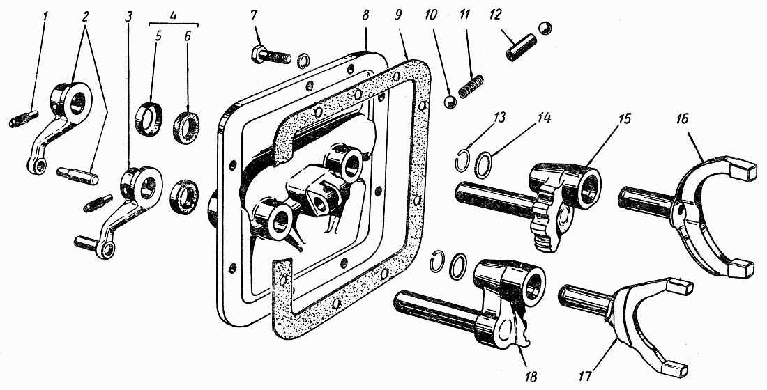
Механизм переключения передач коробки передач


* Крупные изображения из каталога Вы можете перемещать по экрану
9
8
4
5
6
17
18
16
15
14
13
11
12
2
3
2
7
10
1

Метка Каталожный номер Наименование детали Наличие
9 показать на схеме 20-1702014 Прокладка между картером и боковой крышкой коробки передач нет в наличии
используйте поиск
8 показать на схеме 20-1702015-Б3 Крышка боковая коробки передач нет в наличии
используйте поиск
4 показать на схеме 20-1702018 Сальник боковой крышки коробки передач в сборе нет в наличии
используйте поиск
5 показать на схеме 20-1702019 Обойма сальника боковой крышки коробки передач нет в наличии
используйте поиск
6 показать на схеме 20-1702020 Набивка сальника боковой крышки коробки передач нет в наличии
используйте поиск
17 показать на схеме 20-1702024-Б Вилка переключения 1-й передачи и заднего хода коробки передач нет в наличии
используйте поиск
18 показать на схеме 20-1702025 Сектор переключения вилки первой передачи и заднего хода с осью в сборе нет в наличии
используйте поиск
16 показать на схеме 20-1702030-Б Вилка переключения 2-й и 3-й передач коробки передач нет в наличии
используйте поиск
15 показать на схеме 20-1702031 Сектор переключения вилки второй и третьей передач с осью в сборе нет в наличии
используйте поиск
14 показать на схеме 20-1702045 Кольцо упорное вилок переключения передач нет в наличии
используйте поиск
13 показать на схеме 20-1702047 Кольцо стопорное нет в наличии
используйте поиск
11 показать на схеме 20-1702106 Пружина стопорного шарика нет в наличии
используйте поиск
12 показать на схеме 20-1702108-А Плунжер блокирующий рычага переключения передач нет в наличии
используйте поиск
2 показать на схеме 20-1702108-Б Плунжер блокирующий рычага переключения передач нет в наличии
используйте поиск
3 показать на схеме 20-1702114-Б Рычаг переключения первой передачи и заднего хода нет в наличии
используйте поиск
2 показать на схеме 20-1702115 Рычаг переключения второй и третьей передач нет в наличии
используйте поиск
7 показать на схеме 201458-П8 Болт М8х1,25х25 нет в наличии
используйте поиск
10 показать на схеме 263014-П Шарик диаметром 9,5 мм фиксатора механизма переключения передач нет в наличии
используйте поиск
1 показать на схеме 295025-П Штифт диаметром 6х28 рычага нет в наличии
используйте поиск