Интернет-магазин AвтоZапчастей
1 цена, 1 качество, 1 скорость

+7 (909) 281-50-61
+7 (905) 138-55-50
ПН-СБ с 08:00 до 20:00
ВС с 08:00 до 19:00

Мы ВКонтакте

М.Горького,10 - ТЦ Космос
Если вы не нашли полное наименование детали, попробуйте найти сокращенный вариант (подшипник - подш и т.п.)
Корзина всё
ещё пуста
Обратная связь читает ген. директор и собственник
Нам не стыдно за наши цены
телефоны менеджеров
Нам не стыдно за наши цены!
Каталог подбора запчастейКаталог запчастей М20  Победа

Амортизатор задней подвески


* Крупные изображения из каталога Вы можете перемещать по экрану
Метка Каталожный номер Наименование детали Наличие
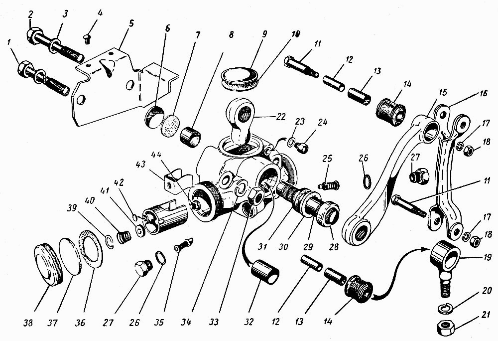
32 показать на схеме 11-18017-Б Втулка валика амортизатора - большая нет в наличии
используйте поиск
8 показать на схеме 11-18018-Б Втулка валика амортизатора - малая нет в наличии
используйте поиск
38 показать на схеме 11-18020 Крышка днища цилиндра картера амортизатора нет в наличии
используйте поиск
37 показать на схеме 11-18021 Пластина крышки днища картера амортизатора нет в наличии
используйте поиск
36 показать на схеме 11-18022 Прокладка крышки днища картера амортизатора нет в наличии
используйте поиск
24 показать на схеме 11-18023 Пробка наливного отверстия картера амортизатора нет в наличии
используйте поиск
23 показать на схеме 11-18024 Прокладка пробки наливного отверстия картера амортизатора нет в наличии
используйте поиск
7 показать на схеме 11-18025 Прокладка заглушки заднего отверстия картера амортизатора нет в наличии
используйте поиск
10 показать на схеме 11-18026 Прокладка заглушки верхнего отверстия картера амортизатора нет в наличии
используйте поиск
44 показать на схеме 11-18034 Головка упорная поршня амортизатора нет в наличии
используйте поиск
43 показать на схеме 11-18035 Пластина пружинная поршня амортизатора нет в наличии
используйте поиск
41 показать на схеме 11-18038 Тарелка впускного клапана амортизатора в сборе нет в наличии
используйте поиск
40 показать на схеме 11-18044 Пружина впускного клапана амортизатора нет в наличии
используйте поиск
39 показать на схеме 11-18045 Кольцо стопорное пружины впускного клапана амортизатора нет в наличии
используйте поиск
29 показать на схеме 11-18062-Б Валик амортизатора нет в наличии
используйте поиск
22 показать на схеме 11-18065-Б Кулачок амортизатора нет в наличии
используйте поиск
28 показать на схеме 11-18068-Б Колпачок сальника валика амортизатора нет в наличии
используйте поиск
14 показать на схеме 11-18078 Втулка рычага и проушины стойки амортизатора задней подвески резиновая нет в наличии
используйте поиск
14 показать на схеме 11-18078 Втулка рычага и проушины стойки амортизатора задней подвески резиновая нет в наличии
используйте поиск
12 показать на схеме 11-18079 Втулка рычага и проушины стойки амортизатора задней подвески стальная нет в наличии
используйте поиск
12 показать на схеме 11-18079 Втулка рычага и проушины стойки амортизатора задней подвески стальная нет в наличии
используйте поиск
12 показать на схеме 11-18079 Втулка рычага и проушины стойки амортизатора задней подвески стальная нет в наличии
используйте поиск
13 показать на схеме 11-18080 Втулка (бронзовая) головки рычага амортизатора нет в наличии
используйте поиск
13 показать на схеме 11-18080 Втулка (бронзовая) головки рычага амортизатора нет в наличии
используйте поиск
27 показать на схеме 11-2905054 Пробка рабочего клапана амортизатора нет в наличии
используйте поиск
27 показать на схеме 11-2905054 Пробка рабочего клапана амортизатора нет в наличии
используйте поиск
26 показать на схеме 11-2905092 Прокладка пробки рабочего клапана амортизатора нет в наличии
используйте поиск
26 показать на схеме 11-2905092 Прокладка пробки рабочего клапана амортизатора нет в наличии
используйте поиск
19 показать на схеме 11-5887 Проушина стойки амортизатора задней подвески нет в наличии
используйте поиск
30 показать на схеме 1Ы8066-Б Кольцо уплотнительное сальника амортизатора пробковое нет в наличии
используйте поиск
15 показать на схеме 20-2915126 Рычаг амортизатора нет в наличии
используйте поиск
31 показать на схеме 20-2915150 Кольцо уплотнительное сальника валика амортизатора (резиновое) нет в наличии
используйте поиск
25 показать на схеме 20-2915240 Клапан рабочий хода отдачи амортизатора в сборе нет в наличии
используйте поиск
35 показать на схеме 20-2915241 Клапан рабочий хода сжатия амортизатора нет в наличии
используйте поиск
11 показать на схеме 20-2915418 Палец стойки амортизатора задней подвески нет в наличии
используйте поиск
11 показать на схеме 20-2915418 Палец стойки амортизатора задней подвески нет в наличии
используйте поиск
11 показать на схеме 20-2915418 Палец стойки амортизатора задней подвески нет в наличии
используйте поиск
16 показать на схеме 20-2915430-Б Стойка амортизатора задней подвески нет в наличии
используйте поиск
5 показать на схеме 20-2915540 Кронштейн амортизатора задней подвески правый нет в наличии
используйте поиск
33 показать на схеме 250559-П8 Гайка М14х1,5 нет в наличии
используйте поиск
18 показать на схеме 250789-П8 Гайка 1М8х1 нет в наличии
используйте поиск
18 показать на схеме 250789-П8 Гайка 1М8х1 нет в наличии
используйте поиск
21 показать на схеме 250835-П8 Гайка 1М12х1,25 нет в наличии
используйте поиск
20 показать на схеме 252137-П8 Шайба 12 пружинная нет в наличии
используйте поиск
34 показать на схеме 252138-П2 Шайба 14.ОТ ОСТ 37.001.115-75 нет в наличии
используйте поиск
17 показать на схеме 252155-П2 Шайба 8Л ОСТ 37.001.115-75 нет в наличии
используйте поиск
17 показать на схеме 252155-П2 Шайба 8Л ОСТ 37.001.115-75 нет в наличии
используйте поиск
4 показать на схеме 252772-П Заклепка 8х24 нет в наличии
используйте поиск
2 показать на схеме 291055-П8 Болт М14х1,5х75 нет в наличии
используйте поиск
1 показать на схеме 291076-П8 Болт 1М14х1,5х145 нет в наличии
используйте поиск
3 показать на схеме 293391-П8 Шайба 14 плоская нет в наличии
используйте поиск
42 показать на схеме 296906-П Заглушка 9 нет в наличии
используйте поиск
6 показать на схеме 296986-П Заглушка 30 показать наличие
Каталожный номер Фото Артикул Наименование Модель Ед. Наличие Цена в магазине сегодня Цена интернет магазина
296986-П
  • заглушка шкворня "Красная Этна" г.Н.Новгород Волга 296986-П  (в наличии за 8.00 руб.)
400000050080 заглушка шкворня "Красная Этна" г.Н.Новгород Волга 296986-П Волга шт
в наличии
4 шт.
8.00руб.
8.00руб.
В корзину
9 показать на схеме 296995-П Заглушка 52 нет в наличии
используйте поиск