Интернет-магазин AвтоZапчастей
1 цена, 1 качество, 1 скорость

+7 (909) 281-50-61
+7 (905) 138-55-50
ПН-СБ с 08:00 до 20:00
ВС с 08:00 до 19:00

Мы ВКонтакте

М.Горького,10 - ТЦ Космос
Если вы не нашли полное наименование детали, попробуйте найти сокращенный вариант (подшипник - подш и т.п.)
Корзина всё
ещё пуста
Обратная связь читает ген. директор и собственник
Нам не стыдно за наши цены
телефоны менеджеров
Нам не стыдно за наши цены!
Каталог подбора запчастейКаталог запчастей М20  Победа

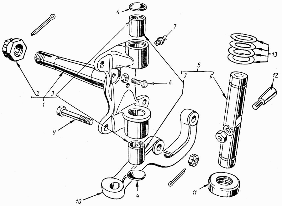
Поворотные кулаки


* Крупные изображения из каталога Вы можете перемещать по экрану
3
3
11
5
1
6
13
12
10
4
4
7
8
9
2

Метка Каталожный номер Наименование детали Наличие
3 показать на схеме 11-3109 Втулка шкворня поворотного кулака нет в наличии
используйте поиск
3 показать на схеме 11-3109 Втулка шкворня поворотного кулака нет в наличии
используйте поиск
11 показать на схеме 11-3123 Подшипник 108905У шариковый упорный поворотного кулака переднего моста (ГПЗ-108905) нет в наличии
используйте поиск
5 показать на схеме 20-2900101 Комплект для ремонта стойки поворотного кулака нет в наличии
используйте поиск
1 показать на схеме 20-3001012-Б Кулак поворотный правый со втулками в сборе нет в наличии
используйте поиск
6 показать на схеме 20-3001018 Шкворень поворотного кулака с заглушками в сборе нет в наличии
используйте поиск
13 показать на схеме 20-3001022 Шайба поворотного кулака регулировочная нет в наличии
используйте поиск
12 показать на схеме 20-3001025 Штифт стопорный шкворня поворотного кулака нет в наличии
используйте поиск
10 показать на схеме 20-3001030-А Рычаг рулевой трапеции правый нет в наличии
используйте поиск
4 показать на схеме 260313-П Заглушка 32 ОСТ 37.001.173-82 нет в наличии
используйте поиск
4 показать на схеме 260313-П Заглушка 32 ОСТ 37.001.173-82 нет в наличии
используйте поиск
7 показать на схеме 264020-П8 Пресс-масленка К 1/8" нет в наличии
используйте поиск
8 показать на схеме 290644-П8 Болт 1М8х1х20 нет в наличии
используйте поиск
9 показать на схеме 290917-П8 Болт 1М12х1,25х50 нет в наличии
используйте поиск
2 показать на схеме 292957-П2 Гайка М24х1,5-4Н5Н нет в наличии
используйте поиск