Интернет-магазин AвтоZапчастей
1 цена, 1 качество, 1 скорость

+7 (909) 281-50-61
+7 (905) 138-55-50
ПН-СБ с 08:00 до 20:00
ВС с 08:00 до 19:00

Мы ВКонтакте

М.Горького,10 - ТЦ Космос
Если вы не нашли полное наименование детали, попробуйте найти сокращенный вариант (подшипник - подш и т.п.)
Корзина всё
ещё пуста
Обратная связь читает ген. директор и собственник
Нам не стыдно за наши цены
телефоны менеджеров
Нам не стыдно за наши цены!
Каталог подбора запчастейКаталог запчастей М20  Победа

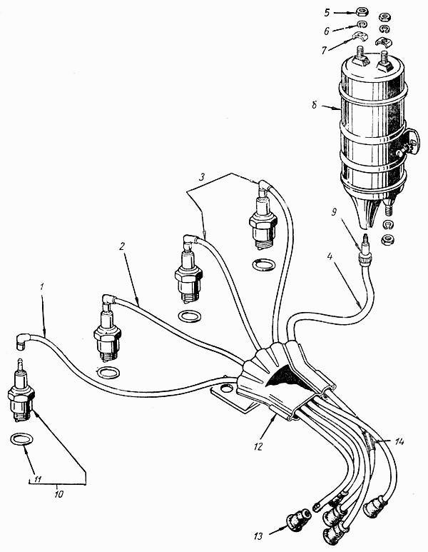
Индукционная катушка. Свечи запальные и провода зажигания


* Крупные изображения из каталога Вы можете перемещать по экрану
13
12
4
1
2
3
14
8
9
5
7
10
11
6

Метка Каталожный номер Наименование детали Наличие
13 показать на схеме 11-12231 Колпачок резиновый провода зажигания нет в наличии
используйте поиск
12 показать на схеме 20-3707032 Держатель проводов зажигания в сборе нет в наличии
используйте поиск
4 показать на схеме 20-3707050-Б Провод высокого напряжения от индукционной катушки к распределителю с гасящим сопротивлением в сборе нет в наличии
используйте поиск
1 показать на схеме 20-3707051 Провод от распределителя к свече 1-го цилиндра двигателя в сборе нет в наличии
используйте поиск
2 показать на схеме 20-3707052 Провод от распределителя к свече 2-го цилиндра двигателя в сборе нет в наличии
используйте поиск
3 показать на схеме 20-3707053 Провод от распределителя к свечам 3-го и 4-го цилиндров двигателя в сборе нет в наличии
используйте поиск
14 показать на схеме 80-14310 Сопротивление гасящее цепи индукционной катушки в сборе типа СЭ-01 нет в наличии
используйте поиск
8 показать на схеме Б21-3705000 Катушка индукционная в сборе (51-3705010) нет в наличии
используйте поиск
9 показать на схеме КЛ-10-6492 Клемма высокого напряжения нет в наличии
используйте поиск
5 показать на схеме М11-90118 Гайка М5 нет в наличии
используйте поиск
7 показать на схеме Р10-7063 Скоба клеммы нет в наличии
используйте поиск
10 показать на схеме СН4Б(НМ12/12В-У) Свеча запальная с прокладкой в сборе (20-3707010) нет в наличии
используйте поиск
11 показать на схеме СР-3707013-1 Прокладка запальной свечи нет в наличии
используйте поиск
6 показать на схеме Х-4001 Шайба 5Т пружинная нет в наличии
используйте поиск