Интернет-магазин AвтоZапчастей
1 цена, 1 качество, 1 скорость

+7 (909) 281-50-61
+7 (905) 138-55-50
ПН-СБ с 08:00 до 20:00
ВС с 08:00 до 19:00

Мы ВКонтакте

М.Горького,10 - ТЦ Космос
Если вы не нашли полное наименование детали, попробуйте найти сокращенный вариант (подшипник - подш и т.п.)
Корзина всё
ещё пуста
Обратная связь читает ген. директор и собственник
Нам не стыдно за наши цены
телефоны менеджеров
Нам не стыдно за наши цены!
Каталог подбора запчастейКаталог запчастей М20  Победа

Переключатель света центральный. Переключатель света ножной. Предохранители. Прикуриватель


* Крупные изображения из каталога Вы можете перемещать по экрану
14
4
10
13
11
12
16
5
9
3
2
15
6
1
8
7

Метка Каталожный номер Наименование детали Наличие
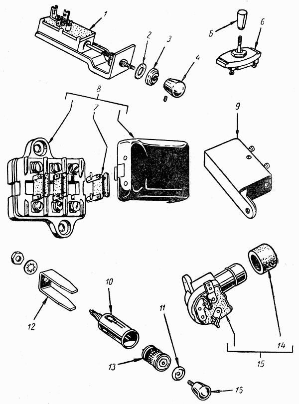
14 показать на схеме 11-11745 Колпачок резиновый плунжера ножного переключателя света нет в наличии
используйте поиск
4 показать на схеме 20-3709051-Б Ручка тяги центрального переключателя света в сборе нет в наличии
используйте поиск
10 показать на схеме 20-3725020 Гнездо патрона прикуривателя в сборе нет в наличии
используйте поиск
13 показать на схеме 20-3725080 Патрон прикуривателя в сборе нет в наличии
используйте поиск
11 показать на схеме 20-3725082 Облицовка патрона прикуривателя нет в наличии
используйте поиск
12 показать на схеме 20-3725086 Скоба крепления прикуривателя нет в наличии
используйте поиск
16 показать на схеме 20-3725125-А Ручка патрона прикуривателя в сборе нет в наличии
используйте поиск
5 показать на схеме 20-3726014 Ручка переключателя указателей поворота в сборе нет в наличии
используйте поиск
9 показать на схеме 20-3726150-А Прерыватель указателей поворота в сборе (РС55) нет в наличии
используйте поиск
3 показать на схеме 51-3709030-Б Гайка крепления центрального переключателя света в сборе нет в наличии
используйте поиск
2 показать на схеме 51-3709038 Шайба прокладочная центрального переключателя света нет в наличии
используйте поиск
15 показать на схеме 51-3710010 Переключатель света ножной в сборе нет в наличии
используйте поиск
6 показать на схеме П17-3710000 Переключатель указателей поворота в сборе без ручки (51-3713305) нет в наличии
используйте поиск
1 показать на схеме П6-3709000-Б Переключатель света центральный в сборе (20-3709010-Б1) нет в наличии
используйте поиск
8 показать на схеме ПР12-3722000-В2 Блок предохранителей в оборе (20-3722010-Б1) нет в наличии
используйте поиск
7 показать на схеме ПР12-3722300-В2-1 Вставка предохранителя N 1 в сборе нет в наличии
используйте поиск