Интернет-магазин AвтоZапчастей
1 цена, 1 качество, 1 скорость

+7 (909) 281-50-61
+7 (905) 138-55-50
ПН-СБ с 08:00 до 20:00
ВС с 08:00 до 19:00
М.Горького,10 - ТЦ Космос
Если вы не нашли полное наименование детали, попробуйте найти сокращенный вариант (подшипник - подш и т.п.)
Корзина всё
ещё пуста
Обратная связь читает ген. директор и собственник
Нам не стыдно за наши цены
телефоны менеджеров
Нам не стыдно за наши цены!
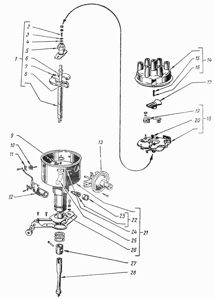
Каталог подбора запчастейКаталог запчастей Газ  12  ЗИМ

Распределитель


* Крупные изображения из каталога Вы можете перемещать по экрану
Метка Каталожный номер Наименование детали Наличие
16 показать на схеме 1-ИГ-514 Уголек контактный нет в наличии
используйте поиск
15 показать на схеме 1-ИГ-515 Пружина контактного уголька нет в наличии
используйте поиск
26 показать на схеме 1-ИГ-579-А Втулка валика распределителя нет в наличии
используйте поиск
25 показать на схеме 1-ИГ-694 Пружина крепления крышки распределителя нет в наличии
используйте поиск
2 показать на схеме Н-1309 Винт М4х10 нет в наличии
используйте поиск
4 показать на схеме Н-1351 Шайба плоская нет в наличии
используйте поиск
3 показать на схеме Н-1386 Шайба 4 пружинная нет в наличии
используйте поиск
24 показать на схеме Н-1425 Ось защелки крышки распределителя нет в наличии
используйте поиск
19 показать на схеме Р-7969 Рычаг прерывателя в сборе (молоточек) нет в наличии
используйте поиск
23 показать на схеме Р-8050-А Крышка масленки нет в наличии
используйте поиск
10 показать на схеме Р10-7061 Клемма вывода низкого напряжения нет в наличии
используйте поиск
11 показать на схеме Р10-7063 Скоба клеммы нет в наличии
используйте поиск
9 показать на схеме Р10-7064 Втулка клеммы изоляционная нет в наличии
используйте поиск
20 показать на схеме Р10-7144 Стойка прерывателя контактная в сборе (наковальня) нет в наличии
используйте поиск
28 показать на схеме Р20-3706012 Валик распределителя промежуточный нет в наличии
используйте поиск
17 показать на схеме Р20-3706020 Бегунок распределителя в сборе нет в наличии
используйте поиск
21 показать на схеме Р20-3706100 Корпус крепления крышки распределителя нет в наличии
используйте поиск
1 показать на схеме Р20-3706200 Валик распределителя с центробежным автоматом в сборе нет в наличии
используйте поиск
5 показать на схеме Р20-3706230 Кулачок прерывателя в сборе нет в наличии
используйте поиск
6 показать на схеме Р20-3706240 Груз центробежного автомата в сборе нет в наличии
используйте поиск
18 показать на схеме Р20-3706300 Прерыватель в сборе нет в наличии
используйте поиск
12 показать на схеме Р20-3706400 Конденсатор в сборе нет в наличии
используйте поиск
14 показать на схеме Р20-3706500 Крышка распределителя в сборе нет в наличии
используйте поиск
13 показать на схеме Р20-3706600-А Регулятор вакуумный с кронштейном в сборе нет в наличии
используйте поиск
27 показать на схеме Р23-3706011 Муфта промежуточного валика распределителя нет в наличии
используйте поиск
22 показать на схеме Р34-3706110 Масленка распределителя в сборе нет в наличии
используйте поиск
8 показать на схеме СТ-7302 Пружина груза толстая нет в наличии
используйте поиск
7 показать на схеме СТ-7303 Пружина груза тонкая нет в наличии
используйте поиск