Интернет-магазин AвтоZапчастей
1 цена, 1 качество, 1 скорость

+7 (909) 281-50-61
+7 (905) 138-55-50
ПН-СБ с 08:00 до 20:00
ВС с 08:00 до 19:00
М.Горького,10 - ТЦ Космос
Если вы не нашли полное наименование детали, попробуйте найти сокращенный вариант (подшипник - подш и т.п.)
Корзина всё
ещё пуста
Обратная связь читает ген. директор и собственник
Нам не стыдно за наши цены
телефоны менеджеров
Нам не стыдно за наши цены!
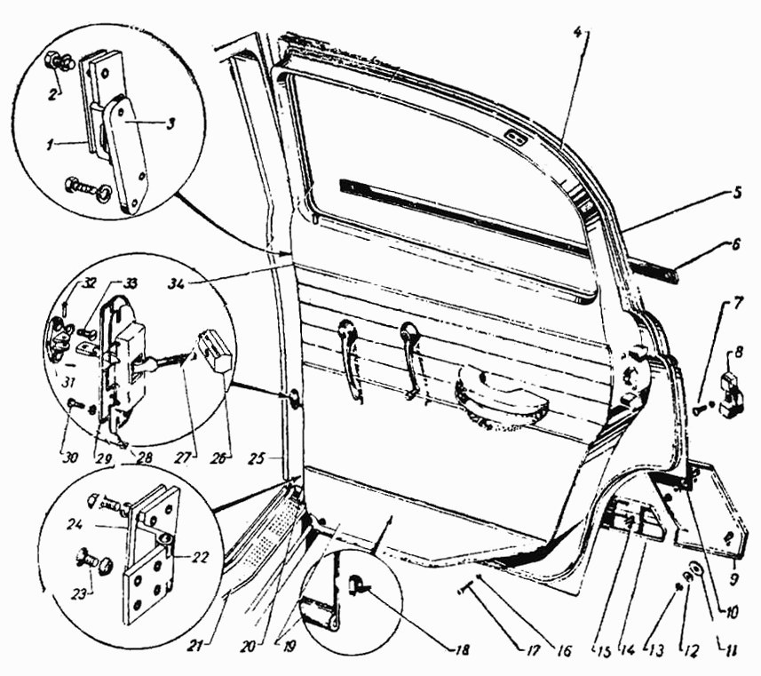
Каталог подбора запчастейКаталог запчастей Газ  21

Дверь задняя


* Крупные изображения из каталога Вы можете перемещать по экрану
Метка Каталожный номер Наименование детали Наличие
18 показать на схеме 21-6102080 Пистон крепления обивки в сборе нет в наличии
используйте поиск
8 показать на схеме 21-6106100-Б Фиксатор двери в сборе - правый нет в наличии
используйте поиск
5 показать на схеме 21-6200010 Дверь задняя с арматурой и стеклами окрашенная и обитая - правая нет в наличии
используйте поиск
6 показать на схеме 21-6201480-А1 Молдинг задней двери поясной в сборе - правый - комплект нет в наличии
используйте поиск
14 показать на схеме 21-6201488 Молдинг задней двери нижний - правый нет в наличии
используйте поиск
9 показать на схеме 21-6201502 Накладка задней двери в сборе - правая нет в наличии
используйте поиск
21 показать на схеме 21-6201560 Облицовка порога задней двери - правая нет в наличии
используйте поиск
19 показать на схеме 21-6202010 Обивка задней двери в сборе комплект - правая нет в наличии
используйте поиск
34 показать на схеме 21-6202092 Держатель обивки задней двери нет в наличии
используйте поиск
3 показать на схеме 21-6206010 Петля задней двери верхняя в сборе - правая нет в наличии
используйте поиск
1 показать на схеме 21-6206018 Пластина прижимная верхней петли нет в наличии
используйте поиск
22 показать на схеме 21-6206026 Петля задней двери нижняя в сборе - правая нет в наличии
используйте поиск
24 показать на схеме 21-6206052 Пластина прижимная нижней петли нет в наличии
используйте поиск
27 показать на схеме 21-6206090 Рычаг ограничителя задней двери нет в наличии
используйте поиск
28 показать на схеме 21-6206180 Стопор ограничителя задней двери в сборе нет в наличии
используйте поиск
29 показать на схеме 21-6206192 Облицовка ограничителя задней двери нет в наличии
используйте поиск
4 показать на схеме 21-6207020 Уплотнитель фланца задней двери нет в наличии
используйте поиск
20 показать на схеме 21-6207028 Уплотнитель торца задней двери нет в наличии
используйте поиск
25 показать на схеме 21-6207048 Кант проема задней двери в сборе нет в наличии
используйте поиск
15 показать на схеме 21-8403120 Держатель молдинга нет в наличии
используйте поиск
33 показать на схеме 221605-П8 Винт М6х16 нет в наличии
используйте поиск
23 показать на схеме 221747-П8 Винт 1М10х22 нет в наличии
используйте поиск
7 показать на схеме 223153-П29 Винт 1М8х22 крепления фиксатора нет в наличии
используйте поиск
30 показать на схеме 224624-П8 Винт М6-6gх14 нет в наличии
используйте поиск
17 показать на схеме 241820-П13 Винт М4х8 нет в наличии
используйте поиск
13 показать на схеме 250764-П8 Гайка М6х1 нет в наличии
используйте поиск
32 показать на схеме 260009-П8 Палец 6х14 крепления рычага ограничителя нет в наличии
используйте поиск
2 показать на схеме 290749-П8 Болт М10х1-6gх18 нет в наличии
используйте поиск
16 показать на схеме 293158-П Шайба 4 нет в наличии
используйте поиск
12 показать на схеме 293225-П8 Шайба 6,5 нет в наличии
используйте поиск
26 показать на схеме 30-6106086 Буфер ограничителя двери нет в наличии
используйте поиск
31 показать на схеме 32-6106088 Кронштейн ограничителя передней двери нет в наличии
используйте поиск
11 показать на схеме 32-8404064 Шайба 34 уплотнительная нет в наличии
используйте поиск
10 показать на схеме 32-8404066 Шайба 20 уплотнительная нет в наличии
используйте поиск