Интернет-магазин AвтоZапчастей
1 цена, 1 качество, 1 скорость

+7 (909) 281-50-61
+7 (905) 138-55-50
ПН-СБ с 08:00 до 20:00
ВС с 08:00 до 19:00
М.Горького,10 - ТЦ Космос
Если вы не нашли полное наименование детали, попробуйте найти сокращенный вариант (подшипник - подш и т.п.)
Корзина всё
ещё пуста
Обратная связь читает ген. директор и собственник
Нам не стыдно за наши цены
телефоны менеджеров
Нам не стыдно за наши цены!
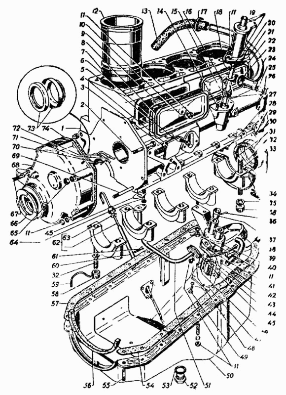
Каталог подбора запчастейКаталог запчастей Газ  21

Блок цилиндров


* Крупные изображения из каталога Вы можете перемещать по экрану
Метка Каталожный номер Наименование детали Наличие
72 показать на схеме 11-6094 Трубка смазки распределительных шестерен нет в наличии
используйте поиск
71 показать на схеме 11-6095 Скоба крепления привода замка капота нет в наличии
используйте поиск
28 показать на схеме 11-6335-Б Прокладка уплотнительная крышки заднего подшипника коленчатого вала правая нет в наличии
используйте поиск
34 показать на схеме 11-6336-Б Прокладка уплотнительная крышки заднего подшипника коленчатого вала левая нет в наличии
используйте поиск
39 показать на схеме 11-6660 Маслоприемник в сборе нет в наличии
используйте поиск
32 показать на схеме 11-6699-А Держатель сальника заднего подшипника коленчатого вала нет в наличии
используйте поиск
32 показать на схеме 11-6699-А Держатель сальника заднего подшипника коленчатого вала нет в наличии
используйте поиск
31 показать на схеме 11-6702-А2 Набивка сальника нет в наличии
используйте поиск
8 показать на схеме 20-1002110 Крышка клапанной коробки передняя в сборе нет в наличии
используйте поиск
6 показать на схеме 20-1002116-А Прокладка крышки коробки толкателей нет в наличии
используйте поиск
2 показать на схеме 200272-П8 Болт М8х1,25х65 нет в наличии
используйте поиск
26 показать на схеме 200272-П8 Болт М8х1,25х65 нет в наличии
используйте поиск
64 показать на схеме 201243-П8 Болт М8х25 крепления нагнетательной трубки к блоку нет в наличии
используйте поиск
49 показать на схеме 201420-П2 Болт М6х20 крышки масляного насоса нет в наличии
используйте поиск
61 показать на схеме 201422-П8 Болт М6-6gх25 нет в наличии
используйте поиск
1 показать на схеме 21-1002010-Б Блок цилиндров в сборе нет в наличии
используйте поиск
12 показать на схеме 21-1002020-Б Гильза цилиндра в сборе нет в наличии
используйте поиск
7 показать на схеме 21-1002024 Кольцо уплотнительное гильзы цилиндра показать наличие
Каталожный номер Фото Артикул Наименование Модель Ед. Наличие Цена в магазине сегодня Цена интернет магазина
21-1002024
  • Кольцо гильзы блока цилиндров "УАЗ"  (в наличии за 3.00 руб.)
400000008537 Кольцо гильзы блока цилиндров "УАЗ" УАЗ шт
в наличии
4 шт.
3.00руб.
3.00руб.
В корзину
68 показать на схеме 21-1002058-Б Крышка распределительных шестерен в сборе нет в наличии
используйте поиск
74 показать на схеме 21-1002064-Б Прокладка крышки распределительных шестерен нет в наличии
используйте поиск
66 показать на схеме 21-1002069-Б Кольцо уплотнительное сальника крышки распределительных шестерен нет в наличии
используйте поиск
22 показать на схеме 21-1002111 Крышка коробки толкателей задняя в сборе нет в наличии
используйте поиск
73 показать на схеме 21-1005032 Сальник передний коленчатого вала с отражателем в сборе нет в наличии
используйте поиск
50 показать на схеме 21-1009010-А2 Картер масляный в сборе нет в наличии
используйте поиск
60 показать на схеме 21-1009045 Трубка указателя уровня масла нет в наличии
используйте поиск
62 показать на схеме 21-1009050 Указатель уровня масла в сборе нет в наличии
используйте поиск
63 показать на схеме 21-1009056 Шайба уплотнительная указателя уровня масла нет в наличии
используйте поиск
57 показать на схеме 21-1009070 Прокладка масляного картера - правая нет в наличии
используйте поиск
54 показать на схеме 21-1009071 Прокладка масляного картера - левая нет в наличии
используйте поиск
56 показать на схеме 21-1009072 Прокладка масляного картера - передняя нет в наличии
используйте поиск
38 показать на схеме 21-1009073 Прокладка масляного картера - задняя нет в наличии
используйте поиск
40 показать на схеме 21-1011015-Б Корпус масляного насоса в сборе нет в наличии
используйте поиск
46 показать на схеме 21-1011032 Шестерня ведомая масляного насоса нет в наличии
используйте поиск
44 показать на схеме 21-1011042-Б Валик масляного насоса нет в наличии
используйте поиск
47 показать на схеме 21-1011052-Б Крышка масляного насоса нет в наличии
используйте поиск
43 показать на схеме 21-1011065 Прокладка крышки масляного насоса нет в наличии
используйте поиск
37 показать на схеме 21-1011066-Б Втулка валика масляного насоса нет в наличии
используйте поиск
51 показать на схеме 21-1011082-Б1 Трубка нагнетательная масляного насоса в сборе нет в наличии
используйте поиск
45 показать на схеме 21-1011086 Прокладка фланца нагнетательной трубки масляного насоса нет в наличии
используйте поиск
45 показать на схеме 21-1011086 Прокладка фланца нагнетательной трубки масляного насоса нет в наличии
используйте поиск
16 показать на схеме 21-1011220-Б Валик привода масляного насоса нет в наличии
используйте поиск
24 показать на схеме 21-1014055-Б Трубка вытяжная вентиляции картера в сборе нет в наличии
используйте поиск
19 показать на схеме 21-1016012-Б Валик привода распределителя с упорной втулкой в сборе нет в наличии
используйте поиск
15 показать на схеме 21-1016018-Б Шестерня привода распределителя нет в наличии
используйте поиск
20 показать на схеме 21-1016019-А Корпус привода распределителя в сборе нет в наличии
используйте поиск
21 показать на схеме 21-1016023 Прокладка корпуса привода распределителя показать наличие
Каталожный номер Фото Артикул Наименование Модель Ед. Наличие Цена в магазине сегодня Цена интернет магазина
21-1016023-Б
  • прокладка привода распределителя зажигания "ВАТИ" Волга,Газель  ЗМЗ-402 (нет в наличии)
400000006868 прокладка привода распределителя зажигания "ВАТИ" Волга,Газель ЗМЗ-402 Газ шт нет в наличии
3.00руб.
21-1016023-Б
  • прокладка привода распределителя зажигания "ВАТИ" Волга,Газель  ЗМЗ-402 (нет в наличии)
100000017564 прокладка привода распределителя зажигания "ВАТИ" Волга,Газель ЗМЗ-402 Газ шт нет в наличии
5.00руб.
3 показать на схеме 21-1017316 Прокладка заглушки нет в наличии
используйте поиск
41 показать на схеме 216232-П Шпилька М8х1х16 нет в наличии
используйте поиск
55 показать на схеме 216232-П Шпилька М8х1х16 нет в наличии
используйте поиск
9 показать на схеме 216244-П8 Шпилька 1М8х45 крепления крышки коробки толкателей нет в наличии
используйте поиск
65 показать на схеме 250510-П8 Гайка М8х1,25 нет в наличии
используйте поиск
11 показать на схеме 250511-П Гайка М8х1-6Н показать наличие
Каталожный номер Фото Артикул Наименование Модель Ед. Наличие Цена в магазине сегодня Цена интернет магазина
250511-П29
  • Гайка М8*1,0 БелЗАН-САК. (в наличии за 2.10 руб.)
400000000552 Гайка М8*1,0 БелЗАН-САК. шт
в наличии
8 шт.
2.10руб.
2.00руб.
В корзину
11 показать на схеме 250511-П8 Гайка М8х1 нет в наличии
используйте поиск
11 показать на схеме 250511-П8 Гайка М8х1 нет в наличии
используйте поиск
11 показать на схеме 250511-П8 Гайка М8х1 нет в наличии
используйте поиск
11 показать на схеме 250511-П8 Гайка М8х1 нет в наличии
используйте поиск
11 показать на схеме 250511-П8 Гайка М8х1 нет в наличии
используйте поиск
11 показать на схеме 250511-П8 Гайка М8х1 нет в наличии
используйте поиск
11 показать на схеме 250511-П8 Гайка М8х1 нет в наличии
используйте поиск
11 показать на схеме 250511-П8 Гайка М8х1 нет в наличии
используйте поиск
11 показать на схеме 250511-П8 Гайка М8х1 нет в наличии
используйте поиск
29 показать на схеме 252174-П8 Шайба 6 пружинная нет в наличии
используйте поиск
59 показать на схеме 257885-П Шплинт-проволока диаметром 1,6х275 нет в наличии
используйте поиск
42 показать на схеме 258040-П Шплинт 2,7х25 нет в наличии
используйте поиск
27 показать на схеме 258616-П Штифт 4х22 нет в наличии
используйте поиск
18 показать на схеме 258709-П Штифт диаметр 3х12 цилиндрический валика привода маслонасоса нет в наличии
используйте поиск
48 показать на схеме 258926-П Штифт 3х18 нет в наличии
используйте поиск
70 показать на схеме 290489-П Болт М6-6gх12 нет в наличии
используйте поиск
30 показать на схеме 290489-П Болт М6-6gх12 нет в наличии
используйте поиск
5 показать на схеме 290757-П Винт М10х30 крепления заглушки нет в наличии
используйте поиск
14 показать на схеме 291747-П Шпилька 1М8х22 крепления масляного насоса нет в наличии
используйте поиск
14 показать на схеме 291747-П8 Шпилька М8х1-4hх22 нет в наличии
используйте поиск
67 показать на схеме 291752-П8 Шпилька 1М8х38 крепления крышки распределительных шестерен нет в наличии
используйте поиск
69 показать на схеме 291758-П8 Шпилька 1М8х58 крепления крышки распределительных шестерен нет в наличии
используйте поиск
33 показать на схеме 291907-П Шпилька 1М14х78 крепления подшипников коленчатого вала нет в наличии
используйте поиск
58 показать на схеме 292857-П Гайка 1М14 шпилек крепления подшипников коленчатого вала прорезная нет в наличии
используйте поиск
58 показать на схеме 292857-П Гайка 1М14 шпилек крепления подшипников коленчатого вала прорезная нет в наличии
используйте поиск
10 показать на схеме 293264-П Шайба 8 нет в наличии
используйте поиск
25 показать на схеме 293264-П Шайба 8 нет в наличии
используйте поиск
35 показать на схеме 293398-П18 Шайба 15 нет в наличии
используйте поиск
36 показать на схеме 294958-П Штифт 4х19 нет в наличии
используйте поиск
52 показать на схеме 296507-П8 Пробка М22х1,5х10 показать наличие
Каталожный номер Фото Артикул Наименование Модель Ед. Наличие Цена в магазине сегодня Цена интернет магазина
296507-П8
  • пробка М22х1,5х10 крышки картера заднего моста  Волга,Газель  (в наличии за 60.00 руб.)
400000006761 пробка М22х1,5х10 крышки картера заднего моста Волга,Газель Газ шт
в наличии
1 шт.
60.00руб.
60.00руб.
В корзину
53 показать на схеме 297282-П Прокладка диаметром 22 пробки в сборе нет в наличии
используйте поиск
17 показать на схеме 297584-П8 Лента 10х235 нет в наличии
используйте поиск
4 показать на схеме 321-1017395 Заглушка сливного отверстия фильтра центробежной очистки масла нет в наличии
используйте поиск
23 показать на схеме 51-1014053-Б Прокладка патрубка нет в наличии
используйте поиск
13 показать на схеме 64-6745 Шланг нет в наличии
используйте поиск