Интернет-магазин AвтоZапчастей
1 цена, 1 качество, 1 скорость

+7 (909) 281-50-61
+7 (905) 138-55-50
ПН-СБ с 08:00 до 20:00
ВС с 08:00 до 19:00

Мы ВКонтакте

111AZ.ru - ТЦ Космос
Если вы не нашли полное наименование детали, попробуйте найти сокращенный вариант (подшипник - подш и т.п.)
Корзина всё
ещё пуста
Обратная связь читает ген. директор и собственник
Нам не стыдно за наши цены
телефоны менеджеров
Нам не стыдно за наши цены!
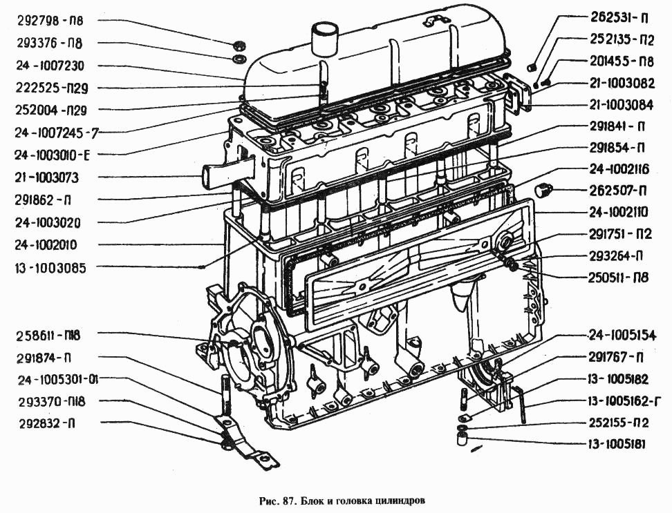
Каталог подбора запчастейКаталог запчастей Газ  24

Блок и головка цилиндров


* Крупные изображения из каталога Вы можете перемещать по экрану
Метка Каталожный номер Наименование детали Наличие
13-1003085 показать на схеме 13-1003085 Штифт нет в наличии
используйте поиск
13-1005181 показать на схеме 13-1005181 Гайка нет в наличии
используйте поиск
13-1005182 показать на схеме 13-1005182 Шайба крепления держателя нет в наличии
используйте поиск
13-2005162-Г показать на схеме 13-2005162-Г Прокладка нет в наличии
используйте поиск
201455-П8 показать на схеме 201455-П8 Болт М8-6gх18 нет в наличии
используйте поиск
21-1003073 показать на схеме 21-1003073 Труба нет в наличии
используйте поиск
21-1003082 показать на схеме 21-1003082 Крышка отверстия водяной рубашки головки цилиндров нет в наличии
используйте поиск
21-1003084 показать на схеме 21-1003084 Прокладка показать наличие
Каталожный номер Фото Артикул Наименование Модель Ед. Наличие Цена в магазине сегодня Цена интернет магазина
21-1003084-01
  • прокладка крышки отверстия водяной рубашки головки блока цилиндров (картон)Волга,Газель  ЗМЗ-402 Н.Новгород (в наличии за 6.00 руб.)
400000006804 прокладка крышки отверстия водяной рубашки головки блока цилиндров (картон)Волга,Газель ЗМЗ-402 Н.Новгород Газ шт
в наличии
2 шт.
6.00руб.
6.00руб.
В корзину
222525-П29 показать на схеме 222525-П29 Винт М6-6gх16 ОСТ 37.001.128-96 показать наличие
Каталожный номер Фото Артикул Наименование Модель Ед. Наличие Цена в магазине сегодня Цена интернет магазина
222525-П29 400000050081 винт М5х16 шт
в наличии
4 шт.
1.00руб.
этот товар можно купить без заказа в магазине Автозапчасти по адресу
111AZ.ru - ТЦ Космос
24-1002010 показать на схеме 24-1002010 Блок в сборе нет в наличии
используйте поиск
24-1002110 показать на схеме 24-1002110 Крышка нет в наличии
используйте поиск
24-1002116 показать на схеме 24-1002116 Прокладка крышки коробки толкателей показать наличие
Каталожный номер Фото Артикул Наименование Модель Ед. Наличие Цена в магазине сегодня Цена интернет магазина
24-1002116
  • прокладка крышки коробки толкателей клапанов пробковая "ЕзАТИ / Кинель" г.Егорьевск. Волга,Газель ЗМЗ-402 (в наличии за 85.00 руб.)
400000006809 прокладка крышки коробки толкателей клапанов пробковая "ЕзАТИ / Кинель" г.Егорьевск. Волга,Газель ЗМЗ-402 Волга шт
в наличии
2 шт.
85.00руб.
61.00руб.
В корзину
24-1003010-Е показать на схеме 24-1003010-Е Головка нет в наличии
используйте поиск
24-1003020 показать на схеме 24-1003020 Прокладка нет в наличии
используйте поиск
24-1005154 показать на схеме 24-1005154 Набивка показать наличие
Каталожный номер Фото Артикул Наименование Модель Ед. Наличие Цена в магазине сегодня Цена интернет магазина
24-1005154-01
  • набивка сальника "Herzog" Германия Волга,Газель ЗМЗ-402,4021,4025,4026 24-1005154-01 (в наличии за 609.00 руб.)
400000006514 набивка сальника "Herzog" Германия Волга,Газель ЗМЗ-402,4021,4025,4026 24-1005154-01 Г-24 шт
в наличии
1 шт.
609.00руб.
609.00руб.
В корзину
24-1005301-01 показать на схеме 24-1005301-01 Пластина стопорная нет в наличии
используйте поиск
24-1007230 показать на схеме 24-1007230 Крышка коромысел нет в наличии
используйте поиск
24-1007245-7 показать на схеме 24-1007245-7 Прокладка нет в наличии
используйте поиск
250511-П8 показать на схеме 250511-П8 Гайка М8х1 нет в наличии
используйте поиск
252004-П29 показать на схеме 252004-П29 Шайба 6 ОСТ 37.001.144-96 нет в наличии
используйте поиск
252135-П2 показать на схеме 252135-П2 Шайба 8Т ОСТ 37.001.115-75 нет в наличии
используйте поиск
252155-П2 показать на схеме 252155-П2 Шайба 8Л ОСТ 37.001.115-75 нет в наличии
используйте поиск
258611-П18 показать на схеме 258611-П18 Штифт 4х10 показать наличие
Каталожный номер Фото Артикул Наименование Модель Ед. Наличие Цена в магазине сегодня Цена интернет магазина
258611-П18
  • штифты вторичного вала 5ст   (срок доставки: 1 день)
400000050102 штифты вторичного вала 5ст Газ компл нет в наличии
63.00руб.
258611-П18
  • штифты вторичного вала 5ст   (срок доставки: 1 день)
100000020815 штифты вторичного вала 5ст Газ компл
срок доставки: 1 день
63.00руб.
В корзину
262507-П показать на схеме 262507-П Пробка К3/8" нет в наличии
используйте поиск
262531-П показать на схеме 262531-П Пробка КГ 1/8" нет в наличии
используйте поиск
291751-П2 показать на схеме 291751-П2 Шпилька М8х1-4hх30 нет в наличии
используйте поиск
291767-П показать на схеме 291767-П Шпилька М8х1х62 нет в наличии
используйте поиск
291841-П показать на схеме 291841-П Шпилька нет в наличии
используйте поиск
291854-П показать на схеме 291854-П Шпилька нет в наличии
используйте поиск
291862-П показать на схеме 291862-П Шпилька нет в наличии
используйте поиск
291874-П показать на схеме 291874-П Шпилька М12х1,25-4h6hх82 нет в наличии
используйте поиск
292798-П8 показать на схеме 292798-П8 Гайка М11х1 нет в наличии
используйте поиск
292832-П показать на схеме 292832-П Гайка СП М12х1,25 нет в наличии
используйте поиск
293264-П показать на схеме 293264-П Шайба 8 нет в наличии
используйте поиск
293370-П18 показать на схеме 293370-П18 Шайба 12 нет в наличии
используйте поиск
293376-П8 показать на схеме 293376-П8 Шайба 11,5 нет в наличии
используйте поиск