Интернет-магазин AвтоZапчастей
1 цена, 1 качество, 1 скорость

+7 (909) 281-50-61
+7 (905) 138-55-50
ПН-СБ с 08:00 до 20:00
ВС с 08:00 до 19:00

Мы ВКонтакте

М.Горького,10 - ТЦ Космос
Если вы не нашли полное наименование детали, попробуйте найти сокращенный вариант (подшипник - подш и т.п.)
Корзина всё
ещё пуста
Обратная связь читает ген. директор и собственник
Нам не стыдно за наши цены
телефоны менеджеров
Нам не стыдно за наши цены!
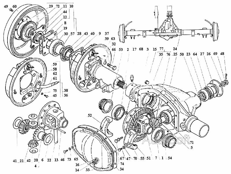
Каталог подбора запчастейКаталог запчастей Газ  3111 (каталог 2004 г.)

Мост задний с тормозами


* Крупные изображения из каталога Вы можете перемещать по экрану
Метка Каталожный номер Наименование детали Наличие
40 показать на схеме 12-2401060-Б Сальник внутренний подшипника полуоси заднего моста с пружиной в сборе показать наличие
Каталожный номер Фото Артикул Наименование Модель Ед. Наличие Цена в магазине сегодня Цена интернет магазина
12-2401060-Б
  • Сальник полуоси и ступицы передней Волга "РТИ" г.Балаково (в наличии за 69.00 руб.)
400000007104 Сальник полуоси и ступицы передней Волга "РТИ" г.Балаково Волга шт
в наличии
3 шт.
69.00руб.
69.00руб.
В корзину
12-2401060-Б
  • Сальник полуоси и ступицы передней Волга "Corteco" Италия (в наличии за 186.00 руб.)
400000007105 Сальник полуоси и ступицы передней Волга "Corteco" Италия Волга шт
в наличии
1 шт.
186.00руб.
186.00руб.
В корзину
41 показать на схеме 12-2403030-А Шайба опорная нет в наличии
используйте поиск
42 показать на схеме 12-2403058-А2 Шайба опорная сателлита нет в наличии
используйте поиск
43 показать на схеме 12-2403082 Прокладка пружинная подшипника полуоси заднего моста показать наличие
Каталожный номер Фото Артикул Наименование Модель Ед. Наличие Цена в магазине сегодня Цена интернет магазина
12-2403082
  • прокладка пружинная подшипника полуоси заднего моста  Волга Газ-24,2410,31029,3110,31105 (срок доставки: 1 день)
100000020444 прокладка пружинная подшипника полуоси заднего моста Волга Газ-24,2410,31029,3110,31105 Волга шт
срок доставки: 1 день
47.00руб.
В корзину
44 показать на схеме 12-2403107 Набивка сальника нет в наличии
используйте поиск
20 показать на схеме 14-2403050 Шестерня полуоси нет в наличии
используйте поиск
21 показать на схеме 14-2403055 Сателлит дифференциала нет в наличии
используйте поиск
22 показать на схеме 14-2403060 Ось сателлитов нет в наличии
используйте поиск
63 показать на схеме 20-2400020 Масленка в сборе нет в наличии
используйте поиск
45 показать на схеме 201418-П29 Болт М6-6gх16 ОСТ 37.001.123-96 нет в наличии
используйте поиск
46 показать на схеме 201454-П29 Болт М8-6gх16 ОСТ 37.001.123-96 показать наличие
Каталожный номер Фото Артикул Наименование Модель Ед. Наличие Цена в магазине сегодня Цена интернет магазина
201454-П29 100604322
  • болт М8х16 г.Белебей  201454-П29  (срок доставки: 1 день)
100000055031 болт М8х16 г.Белебей 201454-П29 шт
срок доставки: 1 день
4.30руб.
Средняя цена по городу:4.79 руб.
У нас вы экономите:0.49 руб.
В корзину
47 показать на схеме 201454-П29 Болт М8-6gх16 ОСТ 37.001.123-96 показать наличие
Каталожный номер Фото Артикул Наименование Модель Ед. Наличие Цена в магазине сегодня Цена интернет магазина
201454-П29 100604322
  • болт М8х16 г.Белебей  201454-П29  (срок доставки: 1 день)
100000055031 болт М8х16 г.Белебей 201454-П29 шт
срок доставки: 1 день
4.30руб.
Средняя цена по городу:4.79 руб.
У нас вы экономите:0.49 руб.
В корзину
72 показать на схеме 21-2403025 Втулка наружного уплотнения полуоси нет в наличии
используйте поиск
19 показать на схеме 221577-П29 Винт М5-6gх10 нет в наличии
используйте поиск
64 показать на схеме 24-10-2402052 Манжета 42х75х10 показать наличие
Каталожный номер Фото Артикул Наименование Модель Ед. Наличие Цена в магазине сегодня Цена интернет магазина
24-10-2402052
  • Сальник редуктора заднего моста Волга, Газель "РТИ" г.Балаково (в наличии за 81.00 руб.)
400000007110 Сальник редуктора заднего моста Волга, Газель "РТИ" г.Балаково Газ шт
в наличии
1 шт.
81.00руб.
81.00руб.
В корзину
24-10-2402052
  • Сальник редуктора заднего моста Волга, Газель "Corteco" Италия (в наличии за 149.00 руб.)
400000007111 Сальник редуктора заднего моста Волга, Газель "Corteco" Италия Газ шт
в наличии
2 шт.
149.00руб.
149.00руб.
В корзину
24-10-2402052
  • Сальник редуктора заднего моста Волга, Газель "RUBENA " Чехия (в наличии за 489.00 руб.)
400000007112 Сальник редуктора заднего моста Волга, Газель "RUBENA " Чехия Газ шт
в наличии
3 шт.
489.00руб.
414.00руб.
В корзину
5 показать на схеме 24-2402046 Кольцо регулировочное толщиной 1,55 мм нет в наличии
используйте поиск
6 показать на схеме 24-2403018 Коробка дифференциала нет в наличии
используйте поиск
7 показать на схеме 24-2403034 Болт Сп М10х1х28 нет в наличии
используйте поиск
8 показать на схеме 24-2403086 Пластина нет в наличии
используйте поиск
9 показать на схеме 24-2403087 Прокладка показать наличие
Каталожный номер Фото Артикул Наименование Модель Ед. Наличие Цена в магазине сегодня Цена интернет магазина
24-2403087
  • прокладка полуоси заднего моста "ВАТИ"  Волга (в наличии за 3.90 руб.)
400000006865 прокладка полуоси заднего моста "ВАТИ" Волга Волга шт
в наличии
2 шт.
3.90руб.
3.90руб.
В корзину
10 показать на схеме 24-2403100 Корпус наружного уплотнения подшипника полуоси в сборе нет в наличии
используйте поиск
11 показать на схеме 24-2403102 Корпус наружного уплотнения подшипника полуоси в сборе нет в наличии
используйте поиск
12 показать на схеме 24-2403112 Прокладка нет в наличии
используйте поиск
65 показать на схеме 252005-П29 Шайба 8 ОСТ 37.001.144-96 нет в наличии
используйте поиск
73 показать на схеме 252135-П2 Шайба 8Т ОСТ 37.001.115-75 нет в наличии
используйте поиск
70 показать на схеме 252135-П2 Шайба 8Т ОСТ 37.001.115-75 нет в наличии
используйте поиск
74 показать на схеме 252137-П2 Шайба 12.ОТ ОСТ 37.001.115-75 нет в наличии
используйте поиск
75 показать на схеме 252154-П2 Шайба 6Л ОСТ 37.001.115-75 нет в наличии
используйте поиск
32 показать на схеме 252157-П2 Шайба 12Л ОСТ 37.001.115-75 нет в наличии
используйте поиск
48 показать на схеме 258053-П Шплинт 4х25 показать наличие
Каталожный номер Фото Артикул Наименование Модель Ед. Наличие Цена в магазине сегодня Цена интернет магазина
258053-П29
  • Шплинт г.Белебей 4х25 Газ (в наличии за 1.80 руб.)
400000007475 Шплинт г.Белебей 4х25 Газ Газель шт
в наличии
4 шт.
1.80руб.
1.80руб.
В корзину
49 показать на схеме 290605-П29 Винт М8-6gх12 показать наличие
Каталожный номер Фото Артикул Наименование Модель Ед. Наличие Цена в магазине сегодня Цена интернет магазина
290605-П29
  • винт М8-6gх12 крепления тормозного барабана Волга г.Белебей Газ-2410,31029,3110,31105 290605-П29  (в наличии за 6.70 руб.)
400000006096 винт М8-6gх12 крепления тормозного барабана Волга г.Белебей Газ-2410,31029,3110,31105 290605-П29 Волга шт
в наличии
6 шт.
6.70руб.
6.70руб.
В корзину
66 показать на схеме 290862-П29 Болт М12х1,25х45 показать наличие
Каталожный номер Фото Артикул Наименование Модель Ед. Наличие Цена в магазине сегодня Цена интернет магазина
290862-П29
  • болт М12х1,25х45 крепления полуоси заднего моста г.Белебей Волга Газ-2410,31029,3110,31105 290862-П29  (срок доставки: 1 день)
100000028338 болт М12х1,25х45 крепления полуоси заднего моста г.Белебей Волга Газ-2410,31029,3110,31105 290862-П29 Волга шт
срок доставки: 1 день
25.00руб.
В корзину
67 показать на схеме 290939-П Болт М12-6gх50 нет в наличии
используйте поиск
68 показать на схеме 292758-П Гайка СпМ10х1 нет в наличии
используйте поиск
69 показать на схеме 292917-П29 Гайка М20х1,5-5Н6Н показать наличие
Каталожный номер Фото Артикул Наименование Модель Ед. Наличие Цена в магазине сегодня Цена интернет магазина
292917-п29 корончата
  • гайка хвостовика заднего моста Газ (срок доставки: 1 день)
100000036374 гайка хвостовика заднего моста Газ Волга шт
срок доставки: 1 день
36.00руб.
В корзину
13 показать на схеме 295047-П Стопор оси сателлитов дифференциала заднего моста нет в наличии
используйте поиск
14 показать на схеме 296507-П8 Пробка М22х1,5х10 показать наличие
Каталожный номер Фото Артикул Наименование Модель Ед. Наличие Цена в магазине сегодня Цена интернет магазина
296507-П8
  • пробка М22х1,5х10 крышки картера заднего моста  Волга,Газель  (в наличии за 60.00 руб.)
400000006761 пробка М22х1,5х10 крышки картера заднего моста Волга,Газель Газ шт
в наличии
1 шт.
60.00руб.
60.00руб.
В корзину
15 показать на схеме 296576-П29 Пробка КГ1/2" показать наличие
Каталожный номер Фото Артикул Наименование Модель Ед. Наличие Цена в магазине сегодня Цена интернет магазина
296576-П29
  • пробка КГ1/2" картера КПП  Волга,Газель (в наличии за 28.00 руб.)
400000006762 пробка КГ1/2" картера КПП Волга,Газель Волга шт
в наличии
1 шт.
28.00руб.
28.00руб.
В корзину
16 показать на схеме 297282-П Прокладка диаметром 22 пробки в сборе нет в наличии
используйте поиск
17 показать на схеме 298430-П Сапун в сборе показать наличие
Каталожный номер Фото Артикул Наименование Модель Ед. Наличие Цена в магазине сегодня Цена интернет магазина
298430-П
  • сапун заднего моста Волга,Газель (в наличии за 142.00 руб.)
400000007119 сапун заднего моста Волга,Газель Газ шт
в наличии
2 шт.
142.00руб.
142.00руб.
В корзину
298430-П
  • сапун заднего моста К (нет в наличии)
400000031466 сапун заднего моста К Газ шт нет в наличии
298430-П
  • сапун заднего моста К (нет в наличии)
100000036355 сапун заднего моста К Газ шт нет в наличии
30.00руб.
33 показать на схеме 3102-2401013-10 Крышка картера в сборе нет в наличии
используйте поиск
34 показать на схеме 3102-2401040 Прокладка крышки картера показать наличие
Каталожный номер Фото Артикул Наименование Модель Ед. Наличие Цена в магазине сегодня Цена интернет магазина
3102-2401040
  • прокладка крышки картера заднего моста "ВАТИ" Волга,Газель  (в наличии за 74.00 руб.)
400000006806 прокладка крышки картера заднего моста "ВАТИ" Волга,Газель Волга шт
в наличии
1 шт.
74.00руб.
74.00руб.
В корзину
35 показать на схеме 3102-2402060-10 Шестерня ведомая нет в наличии
используйте поиск
50 показать на схеме 3102-2402170 Кольцо распорное нет в наличии
используйте поиск
52 показать на схеме 3102-2403026 Крышка подшипников дифференциала нет в наличии
используйте поиск
51 показать на схеме 3102-2403026 Крышка подшипников дифференциала нет в наличии
используйте поиск
54 показать на схеме 3102-2403040 Гайка подшипников дифференциала нет в наличии
используйте поиск
53 показать на схеме 3102-2403040 Гайка подшипников дифференциала нет в наличии
используйте поиск
55 показать на схеме 3102-2403044 Пластина стопорная нет в наличии
используйте поиск
57 показать на схеме 3102-2403084 Кольцо зажимное показать наличие
Каталожный номер Фото Артикул Наименование Модель Ед. Наличие Цена в магазине сегодня Цена интернет магазина
3102-2403084
  • кольцо зажимное полуоси заднего моста  Волга Газ-2410,31029,3102,3110,31105 3102-2403084  (в наличии за 284.00 руб.)
400000006121 кольцо зажимное полуоси заднего моста Волга Газ-2410,31029,3102,3110,31105 3102-2403084 Волга шт
в наличии
2 шт.
284.00руб.
284.00руб.
В корзину
76 показать на схеме 31029-2402017 Шестерня ведущая нет в наличии
используйте поиск
77 показать на схеме 31029-2402020 Шестерни ведущая и ведомая главной передачи (комплект после притирки) нет в наличии
используйте поиск
4 показать на схеме 31029-2403011 Дифференциал моста нет в наличии
используйте поиск
3 показать на схеме 31029-2403011 Дифференциал моста нет в наличии
используйте поиск
58 показать на схеме 3110-3502010-10 Тормоз задний правый нет в наличии
используйте поиск
59 показать на схеме 3110-3502011-10 Тормоз задний левый нет в наличии
используйте поиск
60 показать на схеме 3110-3502070 Барабан тормозной показать наличие
Каталожный номер Фото Артикул Наименование Модель Ед. Наличие Цена в магазине сегодня Цена интернет магазина
3110-3502070
  • барабан тормозной   Волга Газ-3110,31105 3110-3502070  (срок доставки: 1 день)
400000050100 барабан тормозной Волга Газ-3110,31105 3110-3502070 Г-3110 шт нет в наличии
1 849.00руб.
3110-3502070
  • барабан тормозной   Волга Газ-3110,31105 3110-3502070  (срок доставки: 1 день)
100000012719 барабан тормозной Волга Газ-3110,31105 3110-3502070 Г-3110 шт
срок доставки: 1 день
2 000.00руб.
В корзину
24 показать на схеме 3111-2400012 Задний мост нет в наличии
используйте поиск
25 показать на схеме 3111-2401005 Картер с кожухами полуосей нет в наличии
используйте поиск
26 показать на схеме 3111-2402064 Шайба ведущей шестерни нет в наличии
используйте поиск
27 показать на схеме 3111-2402138 Фланец ведущей шестерни нет в наличии
используйте поиск
28 показать на схеме 3111-2403069 Полуось заднего моста нет в наличии
используйте поиск
29 показать на схеме 3111-2403074 Полуось заднего моста нет в наличии
используйте поиск
37 показать на схеме 3111-3502008 Тормоз задний правый нет в наличии
используйте поиск
36 показать на схеме 3111-3502008 Тормоз задний правый нет в наличии
используйте поиск
39 показать на схеме 3111-3502009 Тормоз задний левый нет в наличии
используйте поиск
38 показать на схеме 3111-3502009 Тормоз задний левый нет в наличии
используйте поиск
61 показать на схеме 3111-3508180 Трос стояночного тормоза правый нет в наличии
используйте поиск
62 показать на схеме 3111-3508181 Трос стояночного тормоза левый нет в наличии
используйте поиск
71 показать на схеме 6-7607АУШ Подшипник задний (3102-2402041-10) показать наличие
Каталожный номер Фото Артикул Наименование Модель Ед. Наличие Цена в магазине сегодня Цена интернет магазина
6-7607АУШ
  • подшипник редуктора задний 7607 UBP Волга  (в наличии за 964.00 руб.)
400000006724 подшипник редуктора задний 7607 UBP Волга Волга шт
в наличии
2 шт.
964.00руб.
964.00руб.
В корзину
2 показать на схеме 6У-7510АШ Подшипник дифференциала моста (3302-3104020) показать наличие
Каталожный номер Фото Артикул Наименование Модель Ед. Наличие Цена в магазине сегодня Цена интернет магазина
6У-7510АШ
  • подшипник дифференциала заднего моста 7510 UBP Волга,Газель (в наличии за 1 264.00 руб.)
400000006722 подшипник дифференциала заднего моста 7510 UBP Волга,Газель Волга шт
в наличии
3 шт.
1 264.00руб.
1 264.00руб.
В корзину
6У-7510АШ 100000045113 подшипник редук.7510 ВПЗ шт нет в наличии
1 218.00руб.
6У-7510АШ 100000059375 подшип.редук.7510ESP шт
срок доставки: 1 день
965.00руб.
В корзину
6У-7510АШ
  • подшипник дифференциала заднего моста 7510 LSA Волга,Газель (нет в наличии)
100000059376 подшипник дифференциала заднего моста 7510 LSA Волга,Газель Газ шт нет в наличии
480.00руб.
1 показать на схеме 6У-7510АШ Подшипник дифференциала моста (3302-3104020) показать наличие
Каталожный номер Фото Артикул Наименование Модель Ед. Наличие Цена в магазине сегодня Цена интернет магазина
6У-7510АШ
  • подшипник дифференциала заднего моста 7510 UBP Волга,Газель (в наличии за 1 264.00 руб.)
400000006722 подшипник дифференциала заднего моста 7510 UBP Волга,Газель Волга шт
в наличии
3 шт.
1 264.00руб.
1 264.00руб.
В корзину
6У-7510АШ 100000045113 подшипник редук.7510 ВПЗ шт нет в наличии
1 218.00руб.
6У-7510АШ 100000059375 подшип.редук.7510ESP шт
срок доставки: 1 день
965.00руб.
В корзину
6У-7510АШ
  • подшипник дифференциала заднего моста 7510 LSA Волга,Газель (нет в наличии)
100000059376 подшипник дифференциала заднего моста 7510 LSA Волга,Газель Газ шт нет в наличии
480.00руб.
23 показать на схеме 6У-7606АУШ Подшипник (31029-2402025) показать наличие
Каталожный номер Фото Артикул Наименование Модель Ед. Наличие Цена в магазине сегодня Цена интернет магазина
6У-7606АУШ
  • подшипник ведущей шестерни заднего моста UBP 7606 Волга (в наличии за 919.00 руб.)
400000006723 подшипник ведущей шестерни заднего моста UBP 7606 Волга Волга шт
в наличии
2 шт.
919.00руб.
919.00руб.
В корзину
30 показать на схеме В6-160308АУШ1 Подшипник шариковый однорядный ГОСТ 8882-75 нет в наличии
используйте поиск