Интернет-магазин AвтоZапчастей
1 цена, 1 качество, 1 скорость

+7 (909) 281-50-61
+7 (905) 138-55-50
ПН-СБ с 08:00 до 20:00
ВС с 08:00 до 19:00

Мы ВКонтакте

М.Горького,10 - ТЦ Космос
Если вы не нашли полное наименование детали, попробуйте найти сокращенный вариант (подшипник - подш и т.п.)
Корзина всё
ещё пуста
Обратная связь читает ген. директор и собственник
Нам не стыдно за наши цены
телефоны менеджеров
Нам не стыдно за наши цены!
Каталог подбора запчастейКаталог запчастей Газ  3111 (каталог 2004 г.)

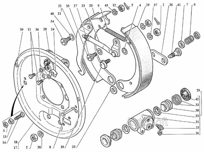
Щит, колодки с накладкой, колесный цилиндр задних тормозов, разжимной механизм стояночного тормоза


* Крупные изображения из каталога Вы можете перемещать по экрану
Метка Каталожный номер Наименование детали Наличие
9 показать на схеме 12-3501035 Пружина стяжная колодок тормоза показать наличие
Каталожный номер Фото Артикул Наименование Модель Ед. Наличие Цена в магазине сегодня Цена интернет магазина
12-3501035
    400000006899 пружина стяжная колодок заднего тормоза Волга,Газель Волга шт
    в наличии
    3 шт.
    36.00руб.
    31.00руб.
    В корзину
    10 показать на схеме 12-3508164 Эксцентрик разжимного рычага в сборе нет в наличии
    используйте поиск
    25 показать на схеме 20-3501028 Эксцентрик опорного пальца колодок тормоза нет в наличии
    используйте поиск
    26 показать на схеме 20-3501030 Пластина опорного пальца нет в наличии
    используйте поиск
    27 показать на схеме 20-3508161 Пружина показать наличие
    Каталожный номер Фото Артикул Наименование Модель Ед. Наличие Цена в магазине сегодня Цена интернет магазина
    20-3508161
    • пружина разжимного рычага стояночного тормоза  Волга,Газель (срок доставки: 1 день)
    100000017686 пружина разжимного рычага стояночного тормоза Волга,Газель Волга шт
    срок доставки: 1 день
    7.50руб.
    Средняя цена по городу:8.00 руб.
    У нас вы экономите:0.50 руб.
    В корзину
    20-3508161
    • пружина разжимного рычага стояночного тормоза  Волга,Газель (срок доставки: 1 день)
    400000006897 пружина разжимного рычага стояночного тормоза Волга,Газель Волга шт нет в наличии
    8.00руб.
    11 показать на схеме 201453-П29 Болт М8-6gх14 нет в наличии
    используйте поиск
    41 показать на схеме 21Р-3502068 Палец опорный нет в наличии
    используйте поиск
    29 показать на схеме 24-10-3502040 Цилиндр колесный задних тормозов в сборе показать наличие
    Каталожный номер Фото Артикул Наименование Модель Ед. Наличие Цена в магазине сегодня Цена интернет магазина
    24-10-3502040
    • Цилиндр колесный задних тормозов в сборе Волга 24,2410,3102,31029,3110,31105 (в наличии за 999.00 руб.)
    400000007380 Цилиндр колесный задних тормозов в сборе Волга 24,2410,3102,31029,3110,31105 Волга шт
    в наличии
    2 шт.
    999.00руб.
    999.00руб.
    В корзину
    28 показать на схеме 24-10-3502040 Цилиндр колесный задних тормозов в сборе показать наличие
    Каталожный номер Фото Артикул Наименование Модель Ед. Наличие Цена в магазине сегодня Цена интернет магазина
    24-10-3502040
    • Цилиндр колесный задних тормозов в сборе Волга 24,2410,3102,31029,3110,31105 (в наличии за 999.00 руб.)
    400000007380 Цилиндр колесный задних тормозов в сборе Волга 24,2410,3102,31029,3110,31105 Волга шт
    в наличии
    2 шт.
    999.00руб.
    999.00руб.
    В корзину
    30 показать на схеме 24-10-3502042 Поршень колесного цилиндра в сборе нет в наличии
    используйте поиск
    31 показать на схеме 24-10-3502046-01 Корпус цилиндра нет в наличии
    используйте поиск
    32 показать на схеме 24-10-3502051 Кольцо уплотнительное показать наличие
    Каталожный номер Фото Артикул Наименование Модель Ед. Наличие Цена в магазине сегодня Цена интернет магазина
    24-10-3502051
    • кольцо уплотнительное заднего тормозного цилиндра РТИ Волга  24-10-3502051 (в наличии за 9.70 руб.)
    400000006358 кольцо уплотнительное заднего тормозного цилиндра РТИ Волга 24-10-3502051 Волга шт
    в наличии
    4 шт.
    9.70руб.
    9.70руб.
    В корзину
    33 показать на схеме 24-10-3502057 Кольцо упорное поршня нет в наличии
    используйте поиск
    42 показать на схеме 24-3501058 Колпак защитный показать наличие
    Каталожный номер Фото Артикул Наименование Модель Ед. Наличие Цена в магазине сегодня Цена интернет магазина
    24-3501058
    • колпак защитный цилиндра заднего тормоза РТИ Волга,Газель (в наличии за 19.00 руб.)
    400000006902 колпак защитный цилиндра заднего тормоза РТИ Волга,Газель Г-24 шт
    в наличии
    6 шт.
    19.00руб.
    19.00руб.
    В корзину
    24-3501058-
    • колпак защитный цилиндра заднего тормоза РТИ 25мм УАЗ (нет в наличии)
    100000053618 колпак защитный цилиндра заднего тормоза РТИ 25мм УАЗ УАЗ шт нет в наличии
    5.00руб.
    2 показать на схеме 250515-П29 Гайка М12х1,25-6Н ОСТ 37.001.124-93 нет в наличии
    используйте поиск
    1 показать на схеме 250515-П29 Гайка М12х1,25-6Н ОСТ 37.001.124-93 нет в наличии
    используйте поиск
    3 показать на схеме 250610-П29 Гайка М8-6Н ОСТ 37.001.124-93 нет в наличии
    используйте поиск
    12 показать на схеме 250613-П29 Гайка 10х1-6Н нет в наличии
    используйте поиск
    13 показать на схеме 251265-П29 Гайка М8-6Н ОСТ 37.001.140-94 нет в наличии
    используйте поиск
    36 показать на схеме 252135-П2 Шайба 8Т ОСТ 37.001.115-75 нет в наличии
    используйте поиск
    38 показать на схеме 252137-П2 Шайба 12.ОТ ОСТ 37.001.115-75 нет в наличии
    используйте поиск
    37 показать на схеме 252137-П2 Шайба 12.ОТ ОСТ 37.001.115-75 нет в наличии
    используйте поиск
    43 показать на схеме 252156-П2 Шайба 10Л ОСТ 37.001.115-75 нет в наличии
    используйте поиск
    4 показать на схеме 252237-П29 Шайба 12 нет в наличии
    используйте поиск
    5 показать на схеме 258024-П29 Шплинт 2,5х16 ОСТ 37.001.171-93 нет в наличии
    используйте поиск
    14 показать на схеме 290615-П29 Винт М8-6gх30 нет в наличии
    используйте поиск
    34 показать на схеме 291491-П29 Болт М10х1-6hх25 нет в наличии
    используйте поиск
    35 показать на схеме 291491-П29 Болт М10х1-6hх25 нет в наличии
    используйте поиск
    40 показать на схеме 293363-П29 Шайба 13 нет в наличии
    используйте поиск
    39 показать на схеме 31029-3502075 Заглушка нет в наличии
    используйте поиск
    15 показать на схеме 3105-3501218 Клапан прокачки дисковых тормозов нет в наличии
    используйте поиск
    16 показать на схеме 3105-3501220 Колпачок клапана прокачки нет в наличии
    используйте поиск
    17 показать на схеме 3110-3502012 Щит заднего тормоза правый нет в наличии
    используйте поиск
    18 показать на схеме 3110-3502013 Щит заднего тормоза левый нет в наличии
    используйте поиск
    19 показать на схеме 3110-3502090 Колодка с фрикционной накладкой показать наличие
    Каталожный номер Фото Артикул Наименование Модель Ед. Наличие Цена в магазине сегодня Цена интернет магазина
    3110-3502090
    • Колодка тормозная задняя Волга  (срок доставки: 1 день)
    100000059048 Колодка тормозная задняя Волга Волга шт
    срок доставки: 1 день
    213.00руб.
    В корзину
    3110-3502090
    • Колодка тормозная задняя Волга  (срок доставки: 1 день)
    400000024148 Колодка тормозная задняя Волга Волга шт нет в наличии
    239.00руб.
    3110-3502090 3110-35
      100000028348 Колодки заднего тормоза с накладкой в сборе HOLA Волга Волга компл
      срок доставки: 1 день
      1 731.00руб.
      В корзину
      3110-3502090 3110-35
        400000006335 Колодки заднего тормоза с накладкой в сборе HOLA Волга Волга компл нет в наличии
        1 594.00руб.
        20 показать на схеме 3110-3502091 Колодка с фрикционной накладкой нет в наличии
        используйте поиск
        21 показать на схеме 3110-3508152 Рычаг приводной правый нет в наличии
        используйте поиск
        22 показать на схеме 3110-3508153 Рычаг приводной левый нет в наличии
        используйте поиск
        23 показать на схеме 3110-3508156 Рычаг разжимной нет в наличии
        используйте поиск
        24 показать на схеме 3110-3862262 Кронштейн кабеля АБС нет в наличии
        используйте поиск
        6 показать на схеме М-2065-С Пружина отжимная колодок тормоза нет в наличии
        используйте поиск
        7 показать на схеме М-2066-С Чашка отжимной пружины колодок тормоза верхняя нет в наличии
        используйте поиск
        8 показать на схеме М-2068-С Стержень чашек нет в наличии
        используйте поиск